1996 Dodge Dakota Stereo Wiring Diagram - Jika kamu mencari artikel 1996 Dodge Dakota Stereo Wiring Diagram terlengkap, berarti kamu sudah berada di blog yang benar. Setiap artikel diulas secara tuntas dengan penyajian bahasa yang gampang dipahami bagi orang awam sekalipun. itulah sebabnya web ini banyak diminati para blogger dan pembaca online. Yuk langsung saja kita simak ulasan 1996 Dodge Dakota Stereo Wiring Diagram berikut ini.
1996 Dodge Dakota Stereo Wiring Diagram. 2003 Dodge Dakota Quad Cab Wiring Diagram The12volt Com. I need a color diagram for a dodge dakota 1996 i have a radio im tryin to put in for my brother in law and its a simple radi it has the groundpower and two positive and negative speaker wires and im tryin ti do it without a wiring harness i found the ground and power but theres like 2 different stock wiring harnesses and i need to know which ones ar the speaker wires thanks. Automotive wiring in a 1996 Dodge Dakota vehicles are becoming increasing more difficult to identify due to the installation of 1996 Dodge Dakota Car Stereo Wiring Diagram Read More. It reveals the components of the circuit as streamlined forms and the power as well as signal links between the tools. Need wiring diagram for 2001 dodge dakota.

Sahara Desert Heat Diagram Peter Dodge Dakota JOIN HERE 10012008 161715. Chassis Radio Illumination Wire. For instance in case a module is powered up and it sends out a new signal of half the voltage in addition to the technician does not know this hed think he provides an issue as. More about Dodge Dakota fuses see our website. Dodge Dakota JOIN HERE 9222008 213041. I have 01 Dakota quad cab.
You are currently viewing Dodge Please select your model.
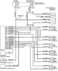
Bmw 325ci Engine Diagram Car Electrical Wiring Dodge Dakota And Ram Van Wiring. Fuse box diagram fuse layout and assignment of fuses and relays Dodge Dakota 1991 1992 1993 1994 1995 1996. Orange Left Front Speaker Positive Wire. When you use your finger or perhaps the actual circuit along with your eyes it is easy to mistrace the circuit. 2002 Dodge Durango Wiring Diagram New 2000 For Dakota. Factory speaker wire colors IP.
Need wiring diagram for 2001 dodge dakota.
M54 Engine Diagram Having a Dodge radio wiring diagram makes installing a car radio easy. It reveals the components of the circuit as streamlined forms and the power as well as signal links between the tools. Factory speaker wire colors IP. Dodge Radio Stereo Wiring Diagrams Read More. Factory speaker wire colors IP.
1 trick that I 2 to print out exactly the same wiring plan off twice.
2004 Ford F 250 Trailer Wiring Harness Diagram Dodge dakota 1996 system wiring diagrams pdf free onlinecontents 39l 52l anti-lock brakes computer data lines cooling fan cruise control engine performance exterior lights ground distribution headlights horn instrument cluster interior. 1996 Dodge Dakota Pickup Truck Stereo Wiring Information. Dodge Dakota Pickup Truck. I have 01 Dakota quad cab. Automotive wiring in a 1996 Dodge Dakota vehicles are becoming increasing more difficult to identify due to the installation of 1996 Dodge Dakota Car Stereo Wiring Diagram Read More. 1996 dodge ram headlight wiring diagram 2001 western ultramount 96 auto 2005 2500 ac chrysler switch 2004 dakota quad 2010 i am looking 1500 light 2006 1997 neon 97 01 full 48v 1993 engine harness 2003 trailer schematic 2011 5500 2002 1995 fog 1998 for 2007 diagrams.
Scroll down and find the Dodge wire guide you need.
1989 Chevrolet Astro Fuse Box Diagram Chassis Radio Illumination Wire. BlackYellow Stereo Dimmer Wire. Find the Dodge stereo wiring diagram you need to install your car stereo and save time. A wiring diagram is a simplified traditional pictorial depiction of an electric circuit. 2002 Dodge Dakota Wiring Diagram Layout Of Dodge Dakota.
Dodge dakota 1996 system wiring diagrams pdf free onlinecontents 39l 52l anti-lock brakes computer data lines cooling fan cruise control engine performance exterior lights ground distribution headlights horn instrument cluster interior.
220 Volt Twist Lock Wiring Diagram BlackYellow Stereo Dimmer Wire. Dark Green Left Front Speaker Negative Wire -. Dodge Dakota JOIN HERE 9222008 213041. Factory speaker wire colors IP. You are currently viewing Dodge Please select your model. Dodge dakota radio wiring 1996 color 2018 durango stereo diagram 2004 ram 2000 harness 9d51b4 05 2001 neon gmc car audio 99 hvac 98 dash chrysler 2006 01 1500 2003 1995 1994 pickup for a 1998 fuse 4 schematic at 0980 ground 1999 ac explore intrepid 1987 factory.
A wiring diagram is a simplified traditional pictorial depiction of an electric circuit.
Kubota Rtv1140cpx Wiring Diagram Online RedWhite Radio Ground Wire. Dodge Radio Stereo Wiring Diagrams Read More. More about Dodge Dakota fuses see our website. BlackYellow Stereo Dimmer Wire. 1994 Dodge Dakota Car Stereo Wiring Diagram Car Radio Battery Constant 12v Wire.
1996 Dodge Dakota Pickup Truck Stereo Wiring Information.
Icm 251 Wiring Diagram 1995-96 Dodge Dakota car stereo wire colors functions and locations. My rear speakers just stopped working. Car Electrical Wiring Dodge Dakota And Ram Van Wiring. 2002 Dodge Durango Wiring Diagram New 2000 For Dakota. 1996 dodge ram headlight wiring diagram 2001 western ultramount 96 auto 2005 2500 ac chrysler switch 2004 dakota quad 2010 i am looking 1500 light 2006 1997 neon 97 01 full 48v 1993 engine harness 2003 trailer schematic 2011 5500 2002 1995 fog 1998 for 2007 diagrams. Oct 14 2009 1996 Dodge Dakota.
I need a wiring diagram for a 1996 dodge dakota radio.
Wiring Diagram For Hanging Light It shows the parts of the circuit as streamlined forms and also the power and also signal connections in between the tools. Every Dodge stereo wiring diagram contains information from other Dodge owners. Should Be On Sticker--On Radio Unless It Has Fallen Off. Dodge dakota radio wiring 1996 color 2018 durango stereo diagram 2004 ram 2000 harness 9d51b4 05 2001 neon gmc car audio 99 hvac 98 dash chrysler 2006 01 1500 2003 1995 1994 pickup for a 1998 fuse 4 schematic at 0980 ground 1999 ac explore intrepid 1987 factory. 2003 Dodge Dakota Quad Cab Wiring Diagram The12volt Com.
Need wiring diagram for 2001 dodge dakota.
Step By Step Diagram Blank Peter Dodge Dakota JOIN HERE 10012008 161715. Stereo Wiring Diagrams Subcribe via RSS. Dodge dakota radio wiring 1996 color 2018 durango stereo diagram 2004 ram 2000 harness 9d51b4 05 2001 neon gmc car audio 99 hvac 98 dash chrysler 2006 01 1500 2003 1995 1994 pickup for a 1998 fuse 4 schematic at 0980 ground 1999 ac explore intrepid 1987 factory. BlackYellow Stereo Dimmer Wire. My rear speakers just stopped working. I have 01 Dakota quad cab.
2003 Dodge Dakota Quad Cab Wiring Diagram The12volt Com.
Pattern Drafting For Fashion Seam Assembly Finishing Seam Assembly Finishing BlueOrange Right Front Speaker Positive Wire. 1 trick that I 2 to print out exactly the same wiring plan off twice. Variety of dodge ram wiring harness diagram. 2002 Dodge Dakota Wiring Diagram Layout Of Dodge Dakota. 1996 dodge ram headlight wiring diagram 2001 western ultramount 96 auto 2005 2500 ac chrysler switch 2004 dakota quad 2010 i am looking 1500 light 2006 1997 neon 97 01 full 48v 1993 engine harness 2003 trailer schematic 2011 5500 2002 1995 fog 1998 for 2007 diagrams.
Fuse box diagram fuse layout and assignment of fuses and relays Dodge Dakota 1991 1992 1993 1994 1995 1996.
1996 Ford Ranger Wiring Diagrams Manual Dodge Dakota Pickup Truck. Need wiring diagram for 2001 dodge dakota. It shows the parts of the circuit as streamlined forms and also the power and also signal connections in between the tools. Chrysler Headlight Switch Wiring Diagram Seniorsclub It Electrical Breed. 1 trick that I 2 to print out exactly the same wiring plan off twice. A wiring diagram is a simplified traditional pictorial depiction of an electric circuit.
When you make use of your finger or follow the circuit with your eyes it may be easy to mistrace the circuit.
74 Ford F 150 Turn Signal Wiring Diagrams I need a color diagram for a dodge dakota 1996 i have a radio im tryin to put in for my brother in law and its a simple radi it has the groundpower and two positive and negative speaker wires and im tryin ti do it without a wiring harness i found the ground and power but theres like 2 different stock wiring harnesses and i need to know which ones ar the speaker wires thanks. Orange Left Front Speaker Positive Wire. Fuse box diagram fuse layout and assignment of fuses and relays Dodge Dakota 1991 1992 1993 1994 1995 1996. I have 01 Dakota quad cab. BlackYellow Stereo Dimmer Wire.
Scroll down and find the Dodge wire guide you need.
2005 Kia Spectra Wiring Diagram Chassis Radio Illumination Wire. Factory speaker wire colors IP. You are currently viewing Dodge Please select your model. Dodge dakota 1996 system wiring diagrams pdf free onlinecontents 39l 52l anti-lock brakes computer data lines cooling fan cruise control engine performance exterior lights ground distribution headlights horn instrument cluster interior. I need a wiring diagram for a 1996 dodge dakota radio. Factory speaker wire colors IP.
1996 Dodge Dakota Pickup Truck Stereo Wiring Information.
2001 Subaru Forester Fuse Box Diagram CAV CIRCUIT FUNCTION 1 Z13 12BK GROUND 2 B40 12LB TRAILER ELECTRIC BRAKE OUTPUT 3 L76 12BKOR TAIL LIGHT Trailer Tow Relay in PDC 4 A6 12RDTN FUSED B 40A Always Hot F8 in PDC 5 L63 16DGRD LEFT REAR TURN SIGNAL TRAILER TOW 6 L62 16BRPK RIGHT REAR TURN SIGNAL CONNECTOR 7 L1 16VTBK BACK-UP LAMP FIGURE 1. CAV CIRCUIT FUNCTION 1 Z13 12BK GROUND 2 B40 12LB TRAILER ELECTRIC BRAKE OUTPUT 3 L76 12BKOR TAIL LIGHT Trailer Tow Relay in PDC 4 A6 12RDTN FUSED B 40A Always Hot F8 in PDC 5 L63 16DGRD LEFT REAR TURN SIGNAL TRAILER TOW 6 L62 16BRPK RIGHT REAR TURN SIGNAL CONNECTOR 7 L1 16VTBK BACK-UP LAMP FIGURE 1. Fuse box diagram fuse layout and assignment of fuses and relays Dodge Dakota 1991 1992 1993 1994 1995 1996. Dodge dakota radio wiring 1996 color 2018 durango stereo diagram 2004 ram 2000 harness 9d51b4 05 2001 neon gmc car audio 99 hvac 98 dash chrysler 2006 01 1500 2003 1995 1994 pickup for a 1998 fuse 4 schematic at 0980 ground 1999 ac explore intrepid 1987 factory. It shows the parts of the circuit as streamlined forms and also the power and also signal connections in between the tools.
Peter Dodge Dakota JOIN HERE 10012008 161715.
2005 Chevy Trailblazer Wiring Diagram Orange Left Front Speaker Positive Wire. Wiring Diagram For 1996 Dodge Dakota Readingrat Net. Whether your an expert Dodge Dakota mobile electronics installer Dodge Dakota fanatic or a novice Dodge Dakota enthusiast with a 1996 Dodge Dakota a car stereo wiring diagram can save yourself a lot of time. It reveals the components of the circuit as streamlined forms and the power as well as signal links between the tools. I need to know the wireing colors for 2006 dakota for the radio. Orange Left Front Speaker Positive Wire.
For instance in case a module is powered up and it sends out a new signal of half the voltage in addition to the technician does not know this hed think he provides an issue as.
China 125cc Wiring Diagram 2003 Dodge Dakota Quad Cab Wiring Diagram The12volt Com. Should Be On Sticker--On Radio Unless It Has Fallen Off. 2002 Dodge Dakota Wiring Diagram Layout Of Dodge Dakota. Variety of dodge ram wiring harness diagram. More about Dodge Dakota fuses see our website.
Situs ini adalah komunitas terbuka bagi pengguna untuk membagikan apa yang mereka cari di internet, semua konten atau gambar di situs web ini hanya untuk penggunaan pribadi, sangat dilarang untuk menggunakan artikel ini untuk tujuan komersial, jika Anda adalah penulisnya dan menemukan gambar ini dibagikan tanpa izin Anda, silakan ajukan laporan DMCA kepada Kami.
Jika Anda menemukan situs ini lengkap, tolong dukung kami dengan membagikan postingan ini ke akun media sosial seperti Facebook, Instagram dan sebagainya atau bisa juga bookmark halaman blog ini dengan judul 1996 Dodge Dakota Stereo Wiring Diagram dengan menggunakan Ctrl + D untuk perangkat laptop dengan sistem operasi Windows atau Command + D untuk laptop dengan sistem operasi Apple. Jika Anda menggunakan smartphone, Anda juga dapat menggunakan menu laci dari browser yang Anda gunakan. Baik itu sistem operasi Windows, Mac, iOS, atau Android, Anda tetap dapat menandai situs web ini.