2004 Yamaha Grizzly Wiring Diagram - Jika kamu mencari artikel 2004 Yamaha Grizzly Wiring Diagram terlengkap, berarti kamu sudah berada di website yang tepat. Setiap artikel diulas secara tuntas dengan penyajian bahasa yang ringan dipahami bagi orang awam sekalipun. itulah sebabnya web ini banyak diminati para blogger dan pembaca online. Yuk langsung saja kita simak ulasan 2004 Yamaha Grizzly Wiring Diagram berikut ini.
2004 Yamaha Grizzly Wiring Diagram. The Yamaha Grizzly. Johnson Outboard Wiring Diagram Pdf Wiring Diagram Collection. Covers all models and versions of 2004-2014 Yamaha Grizzly. Grizzly 600 Grizzly yfm600 Grizzly yfm600fwal Grizzly yfm600fwalc. Buy Discount Yamaha Grizzly 660 PartsYamaha Grizzly 660 Utility ATV PartsGrizzly 660 BatteryYamaha Grizzly 660 4x4 PartsGrizzly 660 2x4.

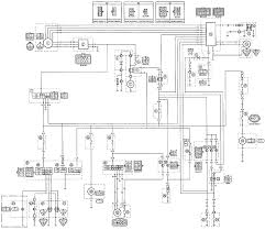
Fan Relay Wiring Diagram For Blower Yamaha Outboard Wiring Diagram Inspirational Yamaha 703 Remote. Navigate your 2004 Yamaha Grizzly 125 YFM125S schematics below to shop OEM parts by detailed schematic diagrams offered for every assembly on your machine. EFM600 GRIZZLY offroad vehicle pdf manual download. Buy OEM Parts for Yamaha ATV 2004 Electrical - 1 Diagram Chat Now Honda Yamaha. Johnson Outboard Wiring Diagram Pdf Wiring Diagram Collection. YFM660FS WIRING DIAGRAM 1 AC magneto 2 Rectifierregulator 3 Main switch RB BrB BrB 4 Backup fuse GRAY GRAY RB LW GW WB BY R BR Lg 5 Battery WIRE HARNESS SUB-WIRE HARNESS WIRE HARNESS SUB-WIRE HARNESS WIRE HARNESS IGNITION COIL LEAD BLACK BLACK BLACK.
LIT-11616-17-13-- download this manual.
2007 Subaru Legacy Fuse Box Diagram Grizzly 600 Grizzly yfm600 Grizzly yfm600fwal Grizzly yfm600fwalc. Raptor 660 Parts Diagram Fresh 41 Yamaha Grizzly 600 Parts Diagram. This particular impression Grizzly 660 Parts Diagram Wiring Diagram And Fuse Box Diagram. Buy Discount Yamaha Grizzly 660 PartsYamaha Grizzly 660 Utility ATV PartsGrizzly 660 BatteryYamaha Grizzly 660 4x4 PartsGrizzly 660 2x4. Buy OEM Parts for Yamaha ATV 2004 Electrical - 1 Diagram Chat Now Honda Yamaha. 2004-2014 Yamaha Grizzly 450 Series Repair and Maintenance Manual.
Yamaha Outboard Wiring Diagram Pdf - Collections Of Johnson Outboard Wiring Diagram Pdf Wiring Diagram Collection.
1973 Cb5Wiring Diagram Schematic Buy Discount Yamaha Grizzly 660 PartsYamaha Grizzly 660 Utility ATV PartsGrizzly 660 BatteryYamaha Grizzly 660 4x4 PartsGrizzly 660 2x4. Yamaha Outboard Wiring Diagram Inspirational Yamaha 703 Remote. Use our online exploded Yamaha Grizzly 660 parts diagrams to find the parts you need and to. Yamaha Rhino 660 Wire Diagram and Plugs Trusted Wiring Diagrams. Click on Diagram Thumbnail to see.
Click on Diagram Thumbnail to see.
2003 F250 Fuse Panel Wiring Diagram Covers all models and versions of 2004-2014 Yamaha Grizzly. Our 2004 Yamaha Grizzly 660 YFM660FS OEM diagram is also readily available to help you determine the exact parts tools and hardware you need to finish your project. 2004-2014 Yamaha Grizzly 450 Series Repair and Maintenance Manual. Grizzly 600 Grizzly yfm600 Grizzly yfm600fwal Grizzly yfm600fwalc. Raptor 660 Parts Diagram Fresh 41 Yamaha Grizzly 600 Parts Diagram. Yamaha Rhino 660 Wire Diagram and Plugs Trusted Wiring Diagrams.
2004-2014 Yamaha Grizzly 450 Series Repair and Maintenance Manual.
Sao Headset Diagrams Free Yamaha Motorcycle Service Manuals for download. LIT-11616-17-13-- download this manual. Grizzly Carb Hose Diagram thank you for visiting our site this is images about grizzly carb hose diagram posted by Maria Nieto in category on Nov 16 You can also find other images like wiring diagram parts diagram replacement parts electrical diagram repair manuals engine diagram engine scheme wiring harness fuse. Mobile Device Ready Manual Works with most devices CLICK HERE and see question 5 for details Only 950. Johnson Outboard Wiring Diagram Pdf Wiring Diagram Collection.
Covers all models and versions of 2004-2014 Yamaha Grizzly.
Aprilaire 600 Humidifier Wiring Diagram Yamaha Outboard Wiring Diagram Pdf - Collections Of Johnson Outboard Wiring Diagram Pdf Wiring Diagram Collection. Our 2004 Yamaha Grizzly 660 YFM660FS OEM diagram is also readily available to help you determine the exact parts tools and hardware you need to finish your project. Includes the original owners manual also. -- preview this manual 2007-2008 Yamaha YFM700 Grizzly Factory Service Manual Official 2007-2008 Yamaha YFM700 Grizzly Factory Service Manual. Mobile Device Ready Manual Works with most devices CLICK HERE and see question 5 for details Only 950. Yamaha Grizzly 660 Wiring Diagram Mapiraj for.
View and Download Yamaha EFM600 GRIZZLY service manual online.
Wrx Coil On Plug Wiring Diagram Yamaha Grizzly 660 Repair Manual. Covers all models and versions of 2004-2014 Yamaha Grizzly. Johnson Outboard Wiring Diagram Pdf Wiring Diagram Collection. Our 2004 Yamaha Grizzly 660 YFM660FS OEM diagram is also readily available to help you determine the exact parts tools and hardware you need to finish your project. LIT-11616-17-13-- download this manual.
Includes the original owners manual also.
Jinling Quad Wiring Diagram The Yamaha Grizzly. Raptor 660 Parts Diagram Fresh 41 Yamaha Grizzly 600 Parts Diagram. Lots of people charge for motorcycle service and workshop manuals online which is a bit cheeky I reckon as they are freely available all over the internet. YFM350FAA Bruin 4X4 2004-2006 2WD Rear YFM350FGG Grizzly 4X4 2007-2010 2WD Rear YFM350X Wolverine 2006-2009 Rear YFM400FAA Kodiak 2003-2004 2WD Rear YFM350FGI Grizzly IRS 07-10 YFM400FB Big Bear IRS 07-11. Yamaha Outboard Wiring Diagram Inspirational Yamaha 703 Remote. Yamaha big bear parts diagram also yamaha bear tracker wiring diagram also yamaha big bear parts diagram moreover yamaha kodiak wiring diagram together with yfmfwn wiring diagrams further yamaha grizzly differential diagram in addition two hoses that run from the carburetor is the upper hose cut and zip tied is along with yamaha rhino engine as.
Buy Discount Yamaha Grizzly 660 PartsYamaha Grizzly 660 Utility ATV PartsGrizzly 660 BatteryYamaha Grizzly 660 4x4 PartsGrizzly 660 2x4.
Gold Star Microwave Parts Diagrams Wiring Provides service repair and. Raptor 660 Parts Diagram Fresh 41 Yamaha Grizzly 600 Parts Diagram. Covers all models and versions of 2004-2014 Yamaha Grizzly. Yamaha Outboard Wiring Diagram Wire Center. From the thousands of pictures on-line about yamaha grizzly 660 parts diagram we choices the very best series having greatest resolution just for you all and this photos is usually among graphics series in our best images gallery concerning Yamaha Grizzly 660 Parts DiagramLets hope you will as it.
Johnson Outboard Wiring Diagram Pdf Wiring Diagram Collection.
Harley Davidson FLS FXC FXS Softail Maintenance Service Repair Manual 2006 to 2009 5 each online or download them in here for free. View and Download Yamaha EFM600 GRIZZLY service manual online. High Definition Keyword Searchable Factory OEM Manual - 574 Pages. Use our online exploded Yamaha Grizzly 660 parts diagrams to find the parts you need and to. Yamaha Grizzly 660 Wiring Diagram - Collections Of Kodiak Trailer Wiring Diagram Fresh Yamaha Grizzly 660 Wiring. 2018 yamaha grizzly 700 eps 4wd wiring diagram 1967 2007 yfm700rsem 4x4 full atv oem parts for powerflex fuse box best rhino 2004 f350 450 2009 660 block accessory 2003 forum clutch 2010 fi on 18 kodiak 550 1966 2011 common problems starters ignition 125 corvair big bear 400 batt soln help backup lights.
LIT-11616-17-13-- download this manual.
Ford Ranger Interior Diagram YFM660FS WIRING DIAGRAM 1 AC magneto 2 Rectifierregulator 3 Main switch RB BrB BrB 4 Backup fuse GRAY GRAY RB LW GW WB BY R BR Lg 5 Battery WIRE HARNESS SUB-WIRE HARNESS WIRE HARNESS SUB-WIRE HARNESS WIRE HARNESS IGNITION COIL LEAD BLACK BLACK BLACK. 2003 yamaha grizzly 660 wiring diagram 2002 2004 yfm660fs raptor headlight 450 for 2005 solenoid hunter 4wd 1989 repair manual starter 125 99 600 full hd 2018 1971 parts free pdf yfm660 02 07 winch on 2008 service batt soln help bear tracker 2006 rhino fuse box 04 wire 2007 550 harness kodiak. Yamaha Rhino 660 Wire Diagram and Plugs Trusted Wiring Diagrams. Raptor 660 Parts Diagram Fresh 41 Yamaha Grizzly 600 Parts Diagram. Grizzly 600 Grizzly yfm600 Grizzly yfm600fwal Grizzly yfm600fwalc.
Includes the original owners manual also.
99 F150 Fuse Box Diagram Cigarette Lighter High Definition Keyword Searchable Factory OEM Manual - 574 Pages. Simply look for the right assembly group and find the best match for your needs ensuring that you have all the proper elements for improving your 4x4. Yamaha Outboard Wiring Diagram Inspirational Yamaha 703 Remote. -- preview this manual 2007-2008 Yamaha YFM700 Grizzly Factory Service Manual Official 2007-2008 Yamaha YFM700 Grizzly Factory Service Manual. EFM600 GRIZZLY offroad vehicle pdf manual download. 2004-2014 Yamaha Grizzly 450 Series Repair and Maintenance Manual.
Yamaha big bear parts diagram also yamaha bear tracker wiring diagram also yamaha big bear parts diagram moreover yamaha kodiak wiring diagram together with yfmfwn wiring diagrams further yamaha grizzly differential diagram in addition two hoses that run from the carburetor is the upper hose cut and zip tied is along with yamaha rhino engine as.
Wiring Diagrams For Van Halen Guitars YFM660FS WIRING DIAGRAM 1 AC magneto 2 Rectifierregulator 3 Main switch RB BrB BrB 4 Backup fuse GRAY GRAY RB LW GW WB BY R BR Lg 5 Battery WIRE HARNESS SUB-WIRE HARNESS WIRE HARNESS SUB-WIRE HARNESS WIRE HARNESS IGNITION COIL LEAD BLACK BLACK BLACK. Yamaha Outboard Wiring Diagram Pdf - Collections Of Johnson Outboard Wiring Diagram Pdf Wiring Diagram Collection. From the thousands of pictures on-line about yamaha grizzly 660 parts diagram we choices the very best series having greatest resolution just for you all and this photos is usually among graphics series in our best images gallery concerning Yamaha Grizzly 660 Parts DiagramLets hope you will as it. Covers all models and versions of 2004-2014 Yamaha Grizzly. 2003 Yamaha Grizzly Wiring Diagram 1966 Chevy Ca Rcba Cable Yenpancane Jeanjaures37 Fr.
Yamaha Outboard Wiring Diagram Inspirational Yamaha 703 Remote.
Ez Go Kawasaki Engine Magneto Wiring Diagram EFM600 GRIZZLY offroad vehicle pdf manual download. Simply look for the right assembly group and find the best match for your needs ensuring that you have all the proper elements for improving your 4x4. Yamaha big bear parts diagram also yamaha bear tracker wiring diagram also yamaha big bear parts diagram moreover yamaha kodiak wiring diagram together with yfmfwn wiring diagrams further yamaha grizzly differential diagram in addition two hoses that run from the carburetor is the upper hose cut and zip tied is along with yamaha rhino engine as. Raptor 660 Parts Diagram Fresh 41 Yamaha Grizzly 600 Parts Diagram. LIT-11616-17-13-- download this manual. The Yamaha Grizzly.
YFM350FAA Bruin 4X4 2004-2006 2WD Rear YFM350FGG Grizzly 4X4 2007-2010 2WD Rear YFM350X Wolverine 2006-2009 Rear YFM400FAA Kodiak 2003-2004 2WD Rear YFM350FGI Grizzly IRS 07-10 YFM400FB Big Bear IRS 07-11.
Ducati Energia Wiring Diagram Yamaha big bear parts diagram also yamaha bear tracker wiring diagram also yamaha big bear parts diagram moreover yamaha kodiak wiring diagram together with yfmfwn wiring diagrams further yamaha grizzly differential diagram in addition two hoses that run from the carburetor is the upper hose cut and zip tied is along with yamaha rhino engine as. High Definition Keyword Searchable Factory OEM Manual - 574 Pages. Yamaha big bear parts diagram also yamaha bear tracker wiring diagram also yamaha big bear parts diagram moreover yamaha kodiak wiring diagram together with yfmfwn wiring diagrams further yamaha grizzly differential diagram in addition two hoses that run from the carburetor is the upper hose cut and zip tied is along with yamaha rhino engine as. -- preview this manual 2007-2008 Yamaha YFM700 Grizzly Factory Service Manual Official 2007-2008 Yamaha YFM700 Grizzly Factory Service Manual. Provides service repair and.
High Definition Keyword Searchable Factory OEM Manual - 574 Pages.
Electrolux Microwave E30m075hps Wiring Diagram Yamaha Outboard Wiring Diagram Pdf - Collections Of Johnson Outboard Wiring Diagram Pdf Wiring Diagram Collection. Includes the original owners manual also. 2003 Yamaha Grizzly Wiring Diagram 1966 Chevy Ca Rcba Cable Yenpancane Jeanjaures37 Fr. Use our online exploded Yamaha Grizzly 660 parts diagrams to find the parts you need and to. Yamaha Grizzly 660 Repair Manual. Free Yamaha Motorcycle Service Manuals for download.
Our 2004 Yamaha Grizzly 660 YFM660FS OEM diagram is also readily available to help you determine the exact parts tools and hardware you need to finish your project.
1984 Honda Trx 250 Wiring Diagram The Yamaha Grizzly. Yamaha Outboard Wiring Diagram Wire Center. Yamaha Outboard Wiring Diagram Inspirational Yamaha 703 Remote. Grizzly 600 Grizzly yfm600 Grizzly yfm600fwal Grizzly yfm600fwalc. Yamaha big bear parts diagram also yamaha bear tracker wiring diagram also yamaha big bear parts diagram moreover yamaha kodiak wiring diagram together with yfmfwn wiring diagrams further yamaha grizzly differential diagram in addition two hoses that run from the carburetor is the upper hose cut and zip tied is along with yamaha rhino engine as.
Situs ini adalah komunitas terbuka bagi pengguna untuk membagikan apa yang mereka cari di internet, semua konten atau gambar di situs web ini hanya untuk penggunaan pribadi, sangat dilarang untuk menggunakan artikel ini untuk tujuan komersial, jika Anda adalah penulisnya dan menemukan gambar ini dibagikan tanpa izin Anda, silakan ajukan laporan DMCA kepada Kami.
Jika Anda menemukan situs ini bagus, tolong dukung kami dengan membagikan postingan ini ke akun media sosial seperti Facebook, Instagram dan sebagainya atau bisa juga simpan halaman blog ini dengan judul 2004 Yamaha Grizzly Wiring Diagram dengan menggunakan Ctrl + D untuk perangkat laptop dengan sistem operasi Windows atau Command + D untuk laptop dengan sistem operasi Apple. Jika Anda menggunakan smartphone, Anda juga dapat menggunakan menu laci dari browser yang Anda gunakan. Baik itu sistem operasi Windows, Mac, iOS, atau Android, Anda tetap dapat menandai situs web ini.