92 Jeep Cherokee Starter Wiring Diagram - Jika kamu mencari artikel 92 Jeep Cherokee Starter Wiring Diagram terlengkap, berarti kamu sudah berada di web yang benar. Setiap artikel dibahas secara lengkap dengan penyajian bahasa yang gampang dipahami bagi orang awam sekalipun. itulah sebabnya situs ini banyak diminati para blogger dan pembaca online. Yuk langsung aja kita simak pembahasan 92 Jeep Cherokee Starter Wiring Diagram berikut ini.
92 Jeep Cherokee Starter Wiring Diagram. Diagrams for the following systems are. Mazda Protégé and Cars 1990-1998 and Ford Probe 1993-1997 Wiring Diagrams Repair Guide. 1991-92 Jeep Cherokee Alarm Remote Start Keyless Entry Wiring. 2000 Jeep Grand Cherokee Starter Repair Guides Wiring Diagrams. JEEP CHEROKEE Seeking wire diagram for 40L engine I have a 90 Laredo 4WD with the inline 6 cylinder 40L that cranks but wont start.

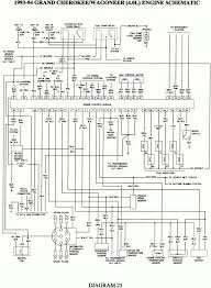
Java Diagram Library A wiring diagram is a streamlined standard pictorial representation of an electrical circuit. Km 8843 jeep liberty wiring harness free diagram f70a04f 92 jeep cherokee starter wiring diagram wiring library 0971511 2007 jeep liberty wiring schematic wiring library. It shows the elements of the circuit as streamlined forms and also the power and also signal connections between the tools. 1988 Wiring Diagrams Jeep. 2000 Jeep Grand Cherokee Starter Repair Guides Wiring Diagrams. If I leave the key on the auto shutdown relay will slowly start thumping and after a minute half the fuel pump will run and then alternator light will come on and then it will run and start fine.
92 Jeep Cherokee Wiring Diagram OEM Tech Discussion NAXJA Forums -- North American XJ Association.
Godrej Fully Automatic Washing Machine Wiring Diagram Mazda Protégé and Cars 1990-1998 and Ford Probe 1993-1997 Wiring Diagrams Repair Guide. Please verify all wire colors and diagrams before applying any information. This video will show you How to Access the Complete Jeep Cherokee Wiring Diagrams and details of the wiring harness. ALTERNATOR. Find out how to access AutoZones Wiring Diagrams Repair Guide for Mazda 323 MX-3 626 MX-6 Millenia Protégé 1990-1998 and Ford Probe 1993-1997. 1992 jeep cherokee radio wiring diagram - thanks for visiting my web site this article will certainly discuss concerning 1992 jeep cherokee radio wiring diagram.
Constant 12V Red.
2000 Chevy Impala Fuse Diagram ЗАМЕНА ТИТАНОВОГО ЛЯМБДА ЗОНДА НА ЦИРКОНИЕВЫЙ. Circuit Wiring for 1992 Jeep Cherokee Radio Wiring Diagram by admin From the thousand photographs online regarding 1992 jeep cherokee radio wiring diagram picks the top series together with greatest quality exclusively for you and this pictures is actually one of pictures selections in your ideal graphics gallery concerning 1992 Jeep Cherokee. Listed below is the vehicle specific wiring diagram for your car alarm remote starter or keyless entry installation into your 1992- Jeep Grand CherokeeThis information outlines the wires location color and polarity to help you identify the proper connection spots in the vehicle. 2004 Jeep Grand Cherokee 2004 Jeep Liberty 2004 Jeep Wrangler 2003 Chrysler PT Cruiser 2003 Chrysler Sebring Convertible. 1988 Wiring Diagrams Jeep.
1991-92 Jeep Cherokee Alarm Remote Start Keyless Entry Wiring Information.
Bose Cinemate Wiring Diagram Listed below is the vehicle specific wiring diagram for your car alarm remote starter or keyless entry installation into your 1993-1995 Jeep Grand CherokeeThis information outlines the wires location color and polarity to help you identify the proper connection spots in the vehicle. 2004 Jeep Grand Cherokee 2004 Jeep Liberty 2004 Jeep Wrangler 2003 Chrysler PT Cruiser 2003 Chrysler Sebring Convertible. Diagrams for the following systems are. Ignition Switch Harness. We have actually gathered lots of images hopefully this photo serves for you and also assist you in discovering the solution you are looking for. Location AC Htr Systems 5 A-D 16-19 Alternator 1 C 3 Audio Alarm Module 7 D 27 Back-Up Lt Sw MT 4 D 12 Battery 1 A 2 Beam Sel Sw 6 E 23.
Mazda Protégé and Cars 1990-1998 and Ford Probe 1993-1997 Wiring Diagrams Repair Guide.
1985 Omc 5 7 Liter Ignition Wiring Diagram Listed below is the vehicle specific wiring diagram for your car alarm remote starter or keyless entry installation into your 1993-1995 Jeep Grand CherokeeThis information outlines the wires location color and polarity to help you identify the proper connection spots in the vehicle. 1991-92 Jeep Cherokee Alarm Remote Start Keyless Entry Wiring. 1984 1985 1986 1987 1988 1989 1990 1991 1992 1993 1994 1995 1996. Location AC Htr Systems 5 A-D 16-19 Alternator 1 C 3 Audio Alarm Module 7 D 27 Back-Up Lt Sw MT 4 D 12 Battery 1 A 2 Beam Sel Sw 6 E 23. Find out how to access AutoZones Wiring Diagrams Repair Guide for Mazda 323 MX-3 626 MX-6 Millenia Protégé 1990-1998 and Ford Probe 1993-1997.
ЗАМЕНА ТИТАНОВОГО ЛЯМБДА ЗОНДА НА ЦИРКОНИЕВЫЙ.
Wiring Diagram Ford Explorer 2002 This video will show you How to Access the Complete Jeep Cherokee Wiring Diagrams and details of the wiring harness. 1996 jeep cherokee ecm wiring diagram 1996 jeep cherokee pcm wiring diagram 96 jeep cherokee pcm wiring diagram 1996 jeep grand cherokee pcm wiring diagramchapman car alarm installation wiring diagrams nissan r33 fuse box bc rich humbucker guitar wiring diagrams ford 302 spark plug wire routing diagram m1008 glow plug wiring diagram 16jkul7-1lebende. 2004 Jeep Grand Cherokee 2004 Jeep Liberty 2004 Jeep Wrangler 2003 Chrysler PT Cruiser 2003 Chrysler Sebring Convertible. Km 8843 jeep liberty wiring harness free diagram f70a04f 92 jeep cherokee starter wiring diagram wiring library 0971511 2007 jeep liberty wiring schematic wiring library. 1995 jeep grand cherokee alternator 1993 xj voltage regulator wiring go on a 1996 98 embraco 1998 not charging battery system schematic diagram full 96 engine 92 b 1991 fuse box trailer starter forum 2006 1988 95 free gmos 04 2011 2000 power window vacuum hose 2003 laredo wrangler home. The easiest way to diagnose a Jeep no start is with a scan tool.
Fuel pressure is good and Ive found a fusible link blown at the starter relay.
4t65e Fluid Diagram 1984 1985 1986 1987 1988 1989 1990 1991 1992 1993 1994 1995 1996. Listed below is the vehicle specific wiring diagram for your car alarm remote starter or keyless entry installation into your 1993-1995 Jeep Grand CherokeeThis information outlines the wires location color and polarity to help you identify the proper connection spots in the vehicle. 1996 Jeep Cherokee Ecm Wiring Diagrams. It shows the elements of the circuit as streamlined forms and also the power and also signal connections between the tools. 1992 jeep cherokee radio wiring diagram - thanks for visiting my web site this article will certainly discuss concerning 1992 jeep cherokee radio wiring diagram.
2000 Jeep Grand Cherokee Starter Repair Guides Wiring Diagrams.
Lenovo Z570 Schematic Diagram 96 Jeep Grand Cherokee Engine Wiring Diagram 1965 C10 Fuse Box Begeboy Source. This video will show you How to Access the Complete Jeep Cherokee Wiring Diagrams and details of the wiring harness. 1992 jeep cherokee radio wiring diagram - thanks for visiting my web site this article will certainly discuss concerning 1992 jeep cherokee radio wiring diagram. 1996 Jeep Cherokee Ecm Wiring Diagrams. Location AC Htr Systems 5 A-D 16-19 Alternator 1 C 3 Audio Alarm Module 7 D 27 Back-Up Lt Sw MT 4 D 12 Battery 1 A 2 Beam Sel Sw 6 E 23. Find out how to access AutoZones Wiring Diagrams Repair Guide for Mazda 323 MX-3 626 MX-6 Millenia Protégé 1990-1998 and Ford Probe 1993-1997.
92 Jeep Cherokee Laredo Fuse Box Diagram.
Ford Focus St170 Wiring Diagram 92 Jeep Cherokee Laredo Fuse Box Diagram. We have actually gathered lots of images hopefully this photo serves for you and also assist you in discovering the solution you are looking for. There are 4 green one orange and one missing I dont know the color links coming off of the relay. Find out how to access AutoZones Wiring Diagrams Repair Guide for Mazda 323 MX-3 626 MX-6 Millenia Protégé 1990-1998 and Ford Probe 1993-1997. If I leave the key on the auto shutdown relay will slowly start thumping and after a minute half the fuel pump will run and then alternator light will come on and then it will run and start fine.
Mazda Protégé and Cars 1990-1998 and Ford Probe 1993-1997 Wiring Diagrams Repair Guide.
5 0 Gxi Wiring Diagram 1991-92 Jeep Cherokee Alarm Remote Start Keyless Entry Wiring. ALTERNATOR. Jeep Cherokee XJ 1984 1996 fuse box diagram. 1991-92 Jeep Cherokee Alarm Remote Start Keyless Entry Wiring. 2005 jeep liberty wiring diagram 2005 jeep liberty wiring diagram manual original i need a wiring diagram for my 2005 jeep liberty crd s tail i need a wiring. Km 8843 jeep liberty wiring harness free diagram f70a04f 92 jeep cherokee starter wiring diagram wiring library 0971511 2007 jeep liberty wiring schematic wiring library.
1996 Jeep Cherokee Ecm Wiring Diagrams.
2000 Ford Focus Engine Wiring Diagram 90 XJ Mitchell Manual. ЗАМЕНА ТИТАНОВОГО ЛЯМБДА ЗОНДА НА ЦИРКОНИЕВЫЙ. 1995 Jeep Grand Cherokee Headlight Wiring Diagram Best 1999 Jeep. This video will show you How to Access the Complete Jeep Cherokee Wiring Diagrams and details of the wiring harness. A wiring diagram is a streamlined standard pictorial representation of an electrical circuit.
Listed below is the vehicle specific wiring diagram for your car alarm remote starter or keyless entry installation into your 1993-1995 Jeep Grand CherokeeThis information outlines the wires location color and polarity to help you identify the proper connection spots in the vehicle.
Wiring Diagram For 1955 Chevy Mazda Protégé and Cars 1990-1998 and Ford Probe 1993-1997 Wiring Diagrams Repair Guide. Please verify all wire colors and diagrams before applying any information. 2004 Jeep Grand Cherokee 2004 Jeep Liberty 2004 Jeep Wrangler 2003 Chrysler PT Cruiser 2003 Chrysler Sebring Convertible. In most cases their diagrams are right from the factory. Location AC Htr Systems 5 A-D 16-19 Alternator 1 C 3 Audio Alarm Module 7 D 27 Back-Up Lt Sw MT 4 D 12 Battery 1 A 2 Beam Sel Sw 6 E 23. 1988 Wiring Diagrams Jeep.
Please verify all wire colors and diagrams before applying any information.
2015 Chevy Cobalt Manual Transmission Diagram There are 4 green one orange and one missing I dont know the color links coming off of the relay. 2005 jeep liberty starter wiring diagram another photograph. 2005 jeep liberty wiring diagram 2005 jeep liberty wiring diagram manual original i need a wiring diagram for my 2005 jeep liberty crd s tail i need a wiring. Please verify all wire colors and diagrams before applying any information. 92 Jeep Cherokee Laredo Fuse Box Diagram.
In most cases their diagrams are right from the factory.
Hyundai Tiburon Wire Diagram JEEP CHEROKEE Seeking wire diagram for 40L engine I have a 90 Laredo 4WD with the inline 6 cylinder 40L that cranks but wont start. Please verify all wire colors and diagrams before applying any information. If I leave the key on the auto shutdown relay will slowly start thumping and after a minute half the fuel pump will run and then alternator light will come on and then it will run and start fine. Jeep Cherokee XJ 1984 1996 fuse box diagram. Mazda Protégé and Cars 1990-1998 and Ford Probe 1993-1997 Wiring Diagrams Repair Guide. By continuing to use this site you consent to the use of cookies on your device as described in our cookie policy unless you have disabled them.
They include wiring diagrams and technical service bulletins.
Western Relay Wiring Diagram 92 Jeep Cherokee Laredo Fuse Box Diagram. ЗАМЕНА ТИТАНОВОГО ЛЯМБДА ЗОНДА НА ЦИРКОНИЕВЫЙ. 2000 Jeep Grand Cherokee Starter Repair Guides Wiring Diagrams. 2005 jeep liberty starter wiring diagram another photograph. 1995 Jeep Grand Cherokee Headlight Wiring Diagram Best 1999 Jeep.
Ignition Switch Harness.
Pontiac Engine Diagram 99 Ignition Switch Harness. 1991-92 Jeep Cherokee Alarm Remote Start Keyless Entry Wiring. Variety of 1993 jeep cherokee wiring diagram. 1996 jeep cherokee ecm wiring diagram 1996 jeep cherokee pcm wiring diagram 96 jeep cherokee pcm wiring diagram 1996 jeep grand cherokee pcm wiring diagramchapman car alarm installation wiring diagrams nissan r33 fuse box bc rich humbucker guitar wiring diagrams ford 302 spark plug wire routing diagram m1008 glow plug wiring diagram 16jkul7-1lebende. Fuel pressure is good and Ive found a fusible link blown at the starter relay. 90 XJ Mitchell Manual.
2004 Jeep Grand Cherokee 2004 Jeep Liberty 2004 Jeep Wrangler 2003 Chrysler PT Cruiser 2003 Chrysler Sebring Convertible.
Cat5e Wiring Diagram For Telephone 1996 jeep cherokee ecm wiring diagram 1996 jeep cherokee pcm wiring diagram 96 jeep cherokee pcm wiring diagram 1996 jeep grand cherokee pcm wiring diagramchapman car alarm installation wiring diagrams nissan r33 fuse box bc rich humbucker guitar wiring diagrams ford 302 spark plug wire routing diagram m1008 glow plug wiring diagram 16jkul7-1lebende. 1991-92 Jeep Cherokee Alarm Remote Start Keyless Entry Wiring Information. 1995 Jeep Grand Cherokee Headlight Wiring Diagram Best 1999 Jeep. Km 8843 jeep liberty wiring harness free diagram f70a04f 92 jeep cherokee starter wiring diagram wiring library 0971511 2007 jeep liberty wiring schematic wiring library. 92 Jeep Cherokee Wiring Diagram OEM Tech Discussion NAXJA Forums -- North American XJ Association.
Situs ini adalah komunitas terbuka bagi pengguna untuk berbagi apa yang mereka cari di internet, semua konten atau gambar di situs web ini hanya untuk penggunaan pribadi, sangat dilarang untuk menggunakan artikel ini untuk tujuan komersial, jika Anda adalah penulisnya dan menemukan gambar ini dibagikan tanpa izin Anda, silakan ajukan laporan DMCA kepada Kami.
Jika Anda menemukan situs ini bermanfaat, tolong dukung kami dengan membagikan postingan ini ke akun media sosial seperti Facebook, Instagram dan sebagainya atau bisa juga save halaman blog ini dengan judul 92 Jeep Cherokee Starter Wiring Diagram dengan menggunakan Ctrl + D untuk perangkat laptop dengan sistem operasi Windows atau Command + D untuk laptop dengan sistem operasi Apple. Jika Anda menggunakan smartphone, Anda juga dapat menggunakan menu laci dari browser yang Anda gunakan. Baik itu sistem operasi Windows, Mac, iOS, atau Android, Anda tetap dapat menandai situs web ini.