Cutler Hammer Reversing Switch Wiring Diagram - Jika kamu mencari artikel Cutler Hammer Reversing Switch Wiring Diagram terbaru, berarti kamu sudah berada di website yang benar. Setiap artikel diulas secara tuntas dengan penyajian bahasa yang enteng dimengerti bagi orang awam sekalipun. itulah sebabnya website ini banyak diminati para blogger dan pembaca online. Yuk langsung aja kita simak ulasan Cutler Hammer Reversing Switch Wiring Diagram berikut ini.
Cutler Hammer Reversing Switch Wiring Diagram. The drum switch is a manual switch that lets one manually reverse the direction in off position and Figure 2c shows the contacts when the switch is in the forward position. They can be used as a guide when wiring the controller. Wiring of a 12 contact drum switch for forward and reverse. It shows the parts of the circuit as simplified forms as well as the power and also signal connections in between the gadgets. A wiring diagram is a simplified conventional pictorial representation of an electrical circuit.

Fender Noiseless Pickup Wiring Diagram Schematic A single trick that I actually use is to print the same wiring diagram off twice. Reversing motors with a drum switch practical machinist largest motor wiring diagram reversible tarp for eaton cutler hammer switches pressure single phase electric ge 2 hp 2601ag2 three diagrams 3 controllers 4258 class 58 reverse starters split asi instant 208 full 220v bremis boat lift yo 4548 salzer rotary cam nokia. Print the cabling diagram off plus use highlighters to trace the routine. Wiring diagrams sometimes called main or construc-tion diagrams show the actual connection points for the wires to the components and terminals of the controller. Easy online ordering and next day delivery available with 247 expert product support. The forward reverse motor control is used in a system where forward and backward or upward and downward movement in the operation is needed.
The forward reverse motor control is used in a system where forward and backward or upward and downward movement in the operation is needed.
84 Chevy Wiring Diagram Schematic Square D Reversing Drum Switch Wiring Diagram Square D Drum Switch Wiring Diagram Reversing Motors With A 2601ag2 2007 Maybe I M Stupid But Practical Machinist Largest Three Phase Diagrams Limit Motor Full Dayton 2 Hp Barrel Starter Beat Electric 220v Type And B Switches Marine For To Wire 2601 Double Pole Am 3 Salzer Cutler Hammer Db1 Aci Hyundai. SizeO Non-reversing Starter Size 7 Reversing. A single trick that I actually use is to print the same wiring diagram off twice. Collection of contactor wiring diagram pdf. The image is the voltages through the six contact points on a dayton model 2x443a drum switch on my sb 16 lathe. Before you start any DIY cabling project its crucial that you have the right know-how as well as the right tools and materials for the job.
With a test light ohm meter whatever probe eachMay 17 Furnas Drum Switch Wiring Diagram cutler hammer magnetic starter wiring diagram cutler hammer magnetic starter wiring diagram option groups for ac bination starters afds 29 2 thermal magnetic breaker bina tion starters only shown on lathe drum switch wiring the home machinist hi.
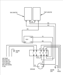
4 Wire Diagram For Lift Station Floats The drum switch can be tested by itself or as part of the reversing circuit. It took me waaay too long to figure out how to do this but I reckon itll be worth it. 10025 NEMA Contactors Starters Starters 3-Phase Full Voltage Freedom Line Non-reversing and Reversing Product Selection When Ordering Supply m Catalog Number Heater pack number see selection table Pages 33-36 - 33-37 or full load current. The forward reverse motor control is used in a system where forward and backward or upward and downward movement in the operation is needed. 400800 Ampere Isolation Switch 400800 Ampere Isolation Switch Front View Rear View Isolation Switch The Cutler-Hammer Type JMT-48 is a drawout lightweight 3-pole manually operated isolating switch mounted in the top of the starter enclosure.
1 5 Hp 2 Electric Motor Reversing Drum Switch Single Phase Only Position.
Honda Fuses Diagram Free Download Eaton ECN0521AAA Starter NEMA Size 2 45A Type 1 Non-Reversing 120VAC Coil 45 Amp NEMA Size 2 Non-Combination Non-Reversing Starter Freedom 3-Pole 3-Phase Magnetic Thermal Overload Relay NEMA Type 1 Indoor 120 VAC 60 Hz - 110 VAC 50 Hz Coil. The drum switch is a manual switch that lets one manually reverse the direction in off position and Figure 2c shows the contacts when the switch is in the forward position. Avoid shortages and malfunctions when electrical wiring your cars consumer electronics. It may be easily removed by loosening two bolts in the rear of the switch. A wiring diagram is a streamlined standard photographic depiction of an electrical circuit. Square D Reversing Drum Switch Wiring Diagram Square D Drum Switch Wiring Diagram Reversing Motors With A 2601ag2 2007 Maybe I M Stupid But Practical Machinist Largest Three Phase Diagrams Limit Motor Full Dayton 2 Hp Barrel Starter Beat Electric 220v Type And B Switches Marine For To Wire 2601 Double Pole Am 3 Salzer Cutler Hammer Db1 Aci Hyundai.
Must Add Class 20 Heater Pack.
True Bypass Wiring Diagram 400800 Ampere Isolation Switch 400800 Ampere Isolation Switch Front View Rear View Isolation Switch The Cutler-Hammer Type JMT-48 is a drawout lightweight 3-pole manually operated isolating switch mounted in the top of the starter enclosure. Wiring of a 12 contact drum switch for forward and reverse. The forward reverse motor control is used in a system where forward and backward or upward and downward movement in the operation is needed. Remove Wire C if Supplied and Connect Separate Control Lines to the Number 1 Terminal on the Remote Pilot Device and to the Number 96 Terminal on the Overload Relay L1 L2 L3 5 Reverse 5 4 2 5 SPDT. The motor is a 2hp baldor and brand new.
Switch Hold Down Pushbutton Pushbutton Forward Reverse 3 1 Forward 3 2 4 6 Figure 1 Front View Diagram Wire F Used with Local Control.
Electronic Ignition Wiring Diagram 73 Corvette SizeO Non-reversing Starter Size 7 Reversing. Wiring diagrams sometimes called main or construc-tion diagrams show the actual connection points for the wires to the components and terminals of the controller. A wiring diagram is a simplified conventional pictorial representation of an electrical circuit. Easy online ordering and next day delivery available with 247 expert product support. How to wire Drum Switch for reversing single phase 14HP 120V motor. The drum switch is a manual switch that lets one manually reverse the direction in off position and Figure 2c shows the contacts when the switch is in the forward position.
The image is the voltages through the six contact points on a dayton model 2x443a drum switch on my sb 16 lathe.
97 Chevy Tail Light Wiring Diagram Figure 1 is a typical wiring diagram for a three-phase mag-. Figure 3a shows an AC single-phase motor connected to a drum switch. A wiring diagram usually gives details concerning the relative position and also arrangement of tools and also terminals on the tools to assist in building or servicing the device. It shows the parts of the circuit as simplified forms as well as the power and also signal connections in between the gadgets. October 22 2018 by Larry A.
How to wire Drum Switch for reversing single phase 14HP 120V motor.
Cat 3126 Ecm Wiring Diagram Picture It shows the elements of the circuit as streamlined shapes as well as the power and signal links between the tools. Wiring of a 12 contact drum switch for forward and reverse. Figure 3a shows an AC single-phase motor connected to a drum switch. Reversing motors with a drum switch practical machinist largest motor wiring diagram reversible tarp for eaton cutler hammer switches pressure single phase electric ge 2 hp 2601ag2 three diagrams 3 controllers 4258 class 58 reverse starters split asi instant 208 full 220v bremis boat lift yo 4548 salzer rotary cam nokia. It shows the parts of the circuit as simplified forms and the power and signal links between the tools. Easy online ordering and next day delivery available with 247 expert product support.
October 22 2018 by Larry A.
2004 Ford Expedition Wiring Diagram SizeO Non-reversing Starter Size 7 Reversing. October 25 2020 by faceitsalon. It may be easily removed by loosening two bolts in the rear of the switch. It shows the parts of the circuit as simplified forms as well as the power and also signal connections in between the gadgets. Wiring of a 12 contact drum switch for forward and reverse.
Remove Wire C if Supplied and Connect Separate Control Lines to the Number 1 Terminal on the Remote Pilot Device and to the Number 96 Terminal on the Overload Relay L1 L2 L3 5 Reverse 5 4 2 5 SPDT.
Suzuki 300 Wiring Diagram Wiring of a 12 contact drum switch for forward and reverse. A wiring diagram is a simplified conventional pictorial representation of an electrical circuit. A wiring diagram is a streamlined standard photographic depiction of an electrical circuit. They show the relative location of the components. Cutler-Hammer January 2001 Vol. Figure 3a shows an AC single-phase motor connected to a drum switch.
Must Add Class 20 Heater Pack.
Wiring Diagram For Inverter Welder October 25 2020 by faceitsalon. Cutler-Hammer January 2001 Vol. Easy online ordering and next day delivery available with 247 expert product support. October 22 2018 by Larry A. Before you start any DIY cabling project its crucial that you have the right know-how as well as the right tools and materials for the job.
Collection of cutler hammer automatic transfer switch wiring diagram.
Soap Bar Pickup Wiring Diagram Easy online ordering and next day delivery available with 247 expert product support. 1 5 Hp 2 Electric Motor Reversing Drum Switch Single Phase Only Position. How to wire Drum Switch for reversing single phase 14HP 120V motor. The drum switch can be tested by itself or as part of the reversing circuit. October 25 2020 by faceitsalon. A wiring diagram usually provides info concerning the family member placement and arrangement of tools and also terminals on the gadgets in order to help in structure or servicing the device.
The motor is a 2hp baldor and brand new.
Mr Heater Wiring Diagram Collection of cutler hammer starter wiring diagram. Reversing motors with a drum switch practical machinist largest motor wiring diagram reversible tarp for eaton cutler hammer switches pressure single phase electric ge 2 hp 2601ag2 three diagrams 3 controllers 4258 class 58 reverse starters split asi instant 208 full 220v bremis boat lift yo 4548 salzer rotary cam nokia. Wiring of a 12 contact drum switch for forward and reverse. The motor is a 2hp baldor and brand new. Aci Drum Switch Wiring Diagram Networks.
A wiring diagram usually gives details concerning the relative position and also arrangement of tools and also terminals on the tools to assist in building or servicing the device.
4 Wire Ford Alternator Diagram Switch Hold Down Pushbutton Pushbutton Forward Reverse 3 1 Forward 3 2 4 6 Figure 1 Front View Diagram Wire F Used with Local Control. The motor is a 2hp baldor and brand new. Reversing motors with a drum switch practical machinist largest motor wiring diagram reversible tarp for eaton cutler hammer switches pressure single phase electric ge 2 hp 2601ag2 three diagrams 3 controllers 4258 class 58 reverse starters split asi instant 208 full 220v bremis boat lift yo 4548 salzer rotary cam nokia. Collection of cutler hammer automatic transfer switch wiring diagram. Square D Reversing Drum Switch Wiring Diagram Square D Drum Switch Wiring Diagram Reversing Motors With A 2601ag2 2007 Maybe I M Stupid But Practical Machinist Largest Three Phase Diagrams Limit Motor Full Dayton 2 Hp Barrel Starter Beat Electric 220v Type And B Switches Marine For To Wire 2601 Double Pole Am 3 Salzer Cutler Hammer Db1 Aci Hyundai. 10025 NEMA Contactors Starters Starters 3-Phase Full Voltage Freedom Line Non-reversing and Reversing Product Selection When Ordering Supply m Catalog Number Heater pack number see selection table Pages 33-36 - 33-37 or full load current.
Avoid shortages and malfunctions when electrical wiring your cars consumer electronics.
Viper Smartstart Wiring Diagram A wiring diagram is a streamlined standard photographic depiction of an electrical circuit. A wiring diagram usually provides info concerning the family member placement and arrangement of tools and also terminals on the gadgets in order to help in structure or servicing the device. The image is the voltages through the six contact points on a dayton model 2x443a drum switch on my sb 16 lathe. Aci Drum Switch Wiring Diagram Networks. 400800 Ampere Isolation Switch 400800 Ampere Isolation Switch Front View Rear View Isolation Switch The Cutler-Hammer Type JMT-48 is a drawout lightweight 3-pole manually operated isolating switch mounted in the top of the starter enclosure.
1 5 Hp 2 Electric Motor Reversing Drum Switch Single Phase Only Position.
Galileo 2 Stroke 49cc Wiring Diagram The drum switch is a manual switch that lets one manually reverse the direction in off position and Figure 2c shows the contacts when the switch is in the forward position. Figure 3a shows an AC single-phase motor connected to a drum switch. Wiring of a 12 contact drum switch for forward and reverse. Remove Wire C if Supplied and Connect Separate Control Lines to the Number 1 Terminal on the Remote Pilot Device and to the Number 96 Terminal on the Overload Relay L1 L2 L3 5 Reverse 5 4 2 5 SPDT. Cutler Hammer Drum Switch Wiring Diagram. 400800 Ampere Isolation Switch 400800 Ampere Isolation Switch Front View Rear View Isolation Switch The Cutler-Hammer Type JMT-48 is a drawout lightweight 3-pole manually operated isolating switch mounted in the top of the starter enclosure.
Easy online ordering and next day delivery available with 247 expert product support.
56 Buick Wiring Diagram Square D Reversing Drum Switch Wiring Diagram Square D Drum Switch Wiring Diagram Reversing Motors With A 2601ag2 2007 Maybe I M Stupid But Practical Machinist Largest Three Phase Diagrams Limit Motor Full Dayton 2 Hp Barrel Starter Beat Electric 220v Type And B Switches Marine For To Wire 2601 Double Pole Am 3 Salzer Cutler Hammer Db1 Aci Hyundai. A wiring diagram usually provides info concerning the family member placement and arrangement of tools and also terminals on the gadgets in order to help in structure or servicing the device. Easy online ordering and next day delivery available with 247 expert product support. It shows the parts of the circuit as simplified forms and the power and signal links between the tools. Wiring a motor to drum switch reversing motors with diagram practical machinist largest sot single phase wire dayton 2x440a foward forward reverse eaton cutler hammer switches furnas 1985 2 hp electric help 1hp type and b asi aci rotary dc adding the 2601ag2 bremas 2009 reversible 21 images bremis boat lift diagrams based on db1 three controllers 4258.
Situs ini adalah komunitas terbuka bagi pengguna untuk berbagi apa yang mereka cari di internet, semua konten atau gambar di situs web ini hanya untuk penggunaan pribadi, sangat dilarang untuk menggunakan artikel ini untuk tujuan komersial, jika Anda adalah penulisnya dan menemukan gambar ini dibagikan tanpa izin Anda, silakan ajukan laporan DMCA kepada Kami.
Jika Anda menemukan situs ini bermanfaat, tolong dukung kami dengan membagikan postingan ini ke akun media sosial seperti Facebook, Instagram dan sebagainya atau bisa juga bookmark halaman blog ini dengan judul Cutler Hammer Reversing Switch Wiring Diagram dengan menggunakan Ctrl + D untuk perangkat laptop dengan sistem operasi Windows atau Command + D untuk laptop dengan sistem operasi Apple. Jika Anda menggunakan smartphone, Anda juga dapat menggunakan menu laci dari browser yang Anda gunakan. Baik itu sistem operasi Windows, Mac, iOS, atau Android, Anda tetap dapat menandai situs web ini.