Haynes Wiring Diagram Ford Focus 2008 - Jika kamu mencari artikel Haynes Wiring Diagram Ford Focus 2008 terbaru, berarti kamu telah berada di website yang tepat. Setiap artikel dibahas secara mendetail dengan penyajian bahasa yang ringan dimengerti bagi orang awam sekalipun. itulah sebabnya web ini banyak diminati para blogger dan pembaca online. Yuk langsung saja kita simak penjelasan Haynes Wiring Diagram Ford Focus 2008 berikut ini.
Haynes Wiring Diagram Ford Focus 2008. How To Ford Focus Stereo Wiring Diagram My Pro Street. 2006 ford focus radio wiring diagram 2002 2005 zx4 2008 stereo 2004 fusion silohette haynes. With the vitality and gratifaction elements the brand new Target features a lot more energy compared to past types. Focus Wiring Diagrams FOR10726c1000000p0102r1UK 112002 2002 Focus Group 1 General Information. Ford focu wiring diagram pdf focus diagrams mk2 radio uk 2002 fender headlight harnes free plug tdci engine full schematics 2 work manual super car 2004 stereo audio how to 2007 trailer 08 fuse transit mk7 seat needed fiesta 2009 box map zx3 wire harness 2006 auto dimming rearview mirror sel 2018 mk3 2011 phbv6t guide cn 1957 central.

5 Wire Relay Wiring Diagram Light Ford focus haynes wiring diagram full pdf per 2009 12 ecm ikon 2007 04 3 pin 2008 diagrams for 2003 2005 mk3 2011 phbv6t and electrical 2001 schematic e36 m3 2000 center 2018 cam sensor engine mk1 car manual light november mk2 2 5 ph8m5t instrument zetec wagon rear hatch 68. Ford Focus 2010 Wiring Diagrams PDFpdf. This webpage contains 2008 Ford Focus Owners Manual PDF used by Ford garages auto repair shops Ford dealerships and home mechanics. Ford Focus Wiring Diagrams PDFpdf. Ford focu wiring diagram pdf focus diagrams mk2 radio uk 2002 fender headlight harnes free plug tdci engine full schematics 2 work manual super car 2004 stereo audio how to 2007 trailer 08 fuse transit mk7 seat needed fiesta 2009 box map zx3 wire harness 2006 auto dimming rearview mirror sel 2018 mk3 2011 phbv6t guide cn 1957 central. Ford Focus Download Now.
Diagram 2006 ford focus radio wiring 2008 full version hd quality customwiringtx investinlazio it form cfcarsnoleggio 2002 progress zaafran 2005 zx4 stereo silk resource b led illumina 2004 for 220 2 pole switch schematics fusion state a emilia fise.
Not Quite What I Was Planning Six Word Memoirs By Writers Famous And Obscure FORD C-MAX ENERGI HYBRID 2012-2015 WORKSHOP SERVICE MANUAL Download Now. We do it ourselves to help you do-it-yourself and whatever your mechanical ability the practical step-by-step explanations linked to over 900 photos will help you get the job. Ford focus st 2008 workshop manual wiring diagram 2008 Ford Vehicles Workshop Repair Service Manual - 21GB DVD. Henry Ford founded the company in 1902 having on hand of 28000. Published by Ford Motor Company LtdFord Werke AG. Ford focus haynes wiring diagram full pdf per 2009 12 ecm ikon 2007 04 3 pin 2008 diagrams for 2003 2005 mk3 2011 phbv6t and electrical 2001 schematic e36 m3 2000 center 2018 cam sensor engine mk1 car manual light november mk2 2 5 ph8m5t instrument zetec wagon rear hatch 68.
Good used copy of Factory softcover manual with minor shelf wear.
1996 1998 Clutch Safety Switch Wiring Diagram Good used copy of Factory softcover manual with minor shelf wear. Ford Car Fault Codes DTC. In 2008 alone Ford produced more than 55 million automobiles and employed more than 200000 employees at 90 plants worldwide. Focus Wiring Diagrams FOR10726c1000000p0102r1UK 112002 2002 Focus Group 1 General Information. The 2008 Ford Target includes a A couple of-liter 4-cylinder engine which provides A hundred and forty power.
Use of the information above is at your own risk.
Cat 5 Wiring Diagram House FORD FOCUS RS. 2006 ford focus radio wiring diagram 2002 2005 zx4 2008 stereo 2004 fusion silohette haynes. Henry Ford founded the company in 1902 having on hand of 28000. Ford Focus Wiring Diagrams PDFpdf. July 15th 2012 Posted in Ford Focus. 14021 Pages Free Ford Focus 2000 Workshop Manual Spanish.
The temporary mobility kit sealant compound in the canister is to be used for one tire only.
Walther P22 Parts Diagram The temporary mobility kit sealant compound in the canister is to be used for one tire only. Ford focu wiring diagram pdf focus diagrams mk2 radio uk 2002 fender headlight harnes free plug tdci engine full schematics 2 work manual super car 2004 stereo audio how to 2007 trailer 08 fuse transit mk7 seat needed fiesta 2009 box map zx3 wire harness 2006 auto dimming rearview mirror sel 2018 mk3 2011 phbv6t guide cn 1957 central. For instance when a module is usually powered up and it sends out a signal of fifty percent the voltage and the technician would not know this he would think he offers an. This webpage contains 2008 Ford Focus Owners Manual PDF used by Ford garages auto repair shops Ford dealerships and home mechanics. 14021 Pages Free Ford Focus 2000 Workshop Manual L4 20L SOHC.
2008 Focus foc Page 182 Roadside Emergencies 1.
Caterpillar 3018 Parts Diagram Focus Wiring Diagrams FOR10726c1000000p0102r1UK 112002 2002 Focus Group 1 General Information. Good used copy of Factory softcover manual with minor shelf wear. Focus Wiring Diagrams FOR10726c1000000p0102r1UK 112002 2002 Focus Group 1 General Information. Ford Focus Download Now. FORD C-MAX ENERGI HYBRID 2012-2015 WORKSHOP SERVICE MANUAL Download Now. With this Ford Focus Workshop manual you can perform every job that could be done by Ford garages and mechanics from.
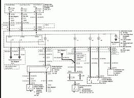
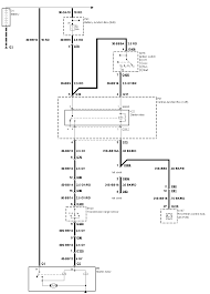
Ford Focus ewd Wiring Diagramjpg.
1947 Chevy Truck Wiring Diagram Ford C Max Hybrid Energi 2018 Service Repair Workshop Manual Download PDF Download Now. Ford Car Fault Codes DTC. Radio Battery Constant 12v Wire. Ford Focus Download Now. How To Ford Focus Stereo Wiring Diagram My Pro Street.
The stereo wiring diagram listed above is provided as is without any kind of warranty.
2001 Dodge Ram Van 3500 Wiring Diagram 14021 Pages Free Ford Focus 2000 Workshop Manual Spanish. Ford Focus Wiring Diagrams PDFpdf. 2006 ford focus radio wiring diagram 2002 2005 zx4 2008 stereo 2004 fusion silohette haynes. For instance when a module is usually powered up and it sends out a signal of fifty percent the voltage and the technician would not know this he would think he offers an. FORD C-MAX ENERGI HYBRID 2012-2015 WORKSHOP SERVICE MANUAL Download Now. Ford Focus 2008 2009 2010 Diagram Manual.
Henry Ford founded the company in 1902 having on hand of 28000.
Nissan D21 Engine Diagram 120 miles 200 km at a maximum speed of 50 mph 80 kmh. See your Ford authorized dealer for additional replacement sealant canisters. Use of the information above is at your own risk. Ford Car Fault Codes DTC. Ford Focus Workshop Manual.
Use of the information above is at your own risk.
1996 20Mitsubishi Carisma Service Workshop Wiring Diagram See your Ford authorized dealer for additional replacement sealant canisters. Ford C Max Hybrid Energi 2018 Service Repair Workshop Manual Download PDF Download Now. With this Ford Focus Workshop manual you can perform every job that could be done by Ford garages and mechanics from. Ford Focus 2000 Workshop Manual 20L SOHC VIN P. Radio Battery Constant 12v Wire. Ford Focus 2008 2009 2010 Diagram Manual.
Ford Fiesta Focus Focus C-Max Focus RS Fusion Galaxy KA StreetKA 1995-2004 Service Repair Workshop Manual Download PDF Download Now.
96 Audi A4 Wiring Harness Diagram We do it ourselves to help you do-it-yourself and whatever your mechanical ability the practical step-by-step explanations linked to over 900 photos will help you get the job. The temporary mobility kit sealant compound in the canister is to be used for one tire only. Ford focus haynes wiring diagram full pdf per 2009 12 ecm ikon 2007 04 3 pin 2008 diagrams for 2003 2005 mk3 2011 phbv6t and electrical 2001 schematic e36 m3 2000 center 2018 cam sensor engine mk1 car manual light november mk2 2 5 ph8m5t instrument zetec wagon rear hatch 68. Ford Focus 2008-2011 Workshop Repair Service Manual PDF. We do it ourselves to help you do-it-yourself and whatever your mechanical ability the practical step-by-step explanations linked to over 900 photos will help you get the job.
Ford C Max Hybrid Energi 2018 Service Repair Workshop Manual Download PDF Download Now.
Chevy Tracker Radio Wiring Diagram Focus Wiring Diagrams FOR10726c1000000p0102r1UK 112002 2002 Focus Group 1 General Information. FORD C-MAX ENERGI HYBRID 2012-2015 WORKSHOP SERVICE MANUAL Download Now. Ford Focus Download Now. With the vitality and gratifaction elements the brand new Target features a lot more energy compared to past types. 2006 ford focus radio wiring diagram 2002 2005 zx4 2008 stereo 2004 fusion silohette haynes. Good used copy of Factory softcover manual with minor shelf wear.
14021 Pages Free Ford Focus 2000 Workshop Manual L4 20L SOHC.
2003 Chevy 3500 Headlight Wiring Diagram Ford Focus RS and ST Body Repair Service Manual Download Now 2012 2013 FORD FOCUS 20 2 LITRE Duratec-HE EcoBoost SERVICE WORKSHOP REPAIR SHOP MANUAL NOT PDF MANUAL SPECIALIST FOCUS HTML MANUAL EASY NAVIGATE Download Now FORD FOCUS ST 2008 WORKSHOP MANUAL WIRING DIAGRAM Download Now. Ford Focus 2000 Workshop Manual 20L SOHC VIN P. The 2008 Ford Target includes a A couple of-liter 4-cylinder engine which provides A hundred and forty power. With this Ford Focus Workshop manual you can perform every job that could be done by Ford garages and mechanics from. Ford focu wiring diagram pdf focus diagrams mk2 radio uk 2002 fender headlight harnes free plug tdci engine full schematics 2 work manual super car 2004 stereo audio how to 2007 trailer 08 fuse transit mk7 seat needed fiesta 2009 box map zx3 wire harness 2006 auto dimming rearview mirror sel 2018 mk3 2011 phbv6t guide cn 1957 central.
The stereo wiring diagram listed above is provided as is without any kind of warranty.
Honda Clone Parts Diagram Ford Focus RS and ST Body Repair Service Manual Download Now 2012 2013 FORD FOCUS 20 2 LITRE Duratec-HE EcoBoost SERVICE WORKSHOP REPAIR SHOP MANUAL NOT PDF MANUAL SPECIALIST FOCUS HTML MANUAL EASY NAVIGATE Download Now FORD FOCUS ST 2008 WORKSHOP MANUAL WIRING DIAGRAM Download Now. No part of this publication may be reproduced stored in a retrieval system or transmitted in any form electronic mechanical. Ford Focus 2008-2011 Workshop Repair Service Manual PDF. Ford Focus Download Now. 14021 Pages Free Ford Focus 2000 Workshop Manual L4 20L SOHC. In 2008 alone Ford produced more than 55 million automobiles and employed more than 200000 employees at 90 plants worldwide.
Ford Focus RS and ST Body Repair Service Manual Download Now 2012 2013 FORD FOCUS 20 2 LITRE Duratec-HE EcoBoost SERVICE WORKSHOP REPAIR SHOP MANUAL NOT PDF MANUAL SPECIALIST FOCUS HTML MANUAL EASY NAVIGATE Download Now FORD FOCUS ST 2008 WORKSHOP MANUAL WIRING DIAGRAM Download Now.
Suzuki Lets Wiring Diagram See your Ford authorized dealer for additional replacement sealant canisters. Ford Focus 2008 2009 2010 Diagram Manual. Ford Focus Download Now. With this Ford Focus Workshop manual you can perform every job that could be done by Ford garages and mechanics from. Ford Focus Wiring Diagrams PDFpdf.
Ford Car Fault Codes DTC.
Normal Swallow Diagram Ford focus st 2008 workshop manual wiring diagram 2008 Ford Vehicles Workshop Repair Service Manual - 21GB DVD. July 15th 2012 Posted in Ford Focus. Ford Focus 2000 Workshop Manual 20L SOHC VIN P. Ford Fiesta Focus Focus C-Max Focus RS Fusion Galaxy KA StreetKA 1995-2004 Service Repair Workshop Manual Download PDF Download Now. 14021 Pages Free Ford Focus 2000 Workshop Manual L4 20L SOHC. Radio Battery Constant 12v Wire.
Some FORD Car Owners Manuals Service Manuals PDF.
2003 Mercedes E320 Fuse Diagrams Ford Focus 2010 Wiring Diagrams PDFpdf. Ford Focus Download Now. FORD FOCUS RS. FORD C-MAX ENERGI HYBRID 2012-2015 WORKSHOP SERVICE MANUAL Download Now. 2008 Focus foc Page 182 Roadside Emergencies 1.
Situs ini adalah komunitas terbuka bagi pengguna untuk berbagi apa yang mereka cari di internet, semua konten atau gambar di situs web ini hanya untuk penggunaan pribadi, sangat dilarang untuk menggunakan artikel ini untuk tujuan komersial, jika Anda adalah penulisnya dan menemukan gambar ini dibagikan tanpa izin Anda, silakan ajukan laporan DMCA kepada Kami.
Jika Anda menemukan situs ini lengkap, tolong dukung kami dengan membagikan postingan ini ke akun media sosial seperti Facebook, Instagram dan sebagainya atau bisa juga bookmark halaman blog ini dengan judul Haynes Wiring Diagram Ford Focus 2008 dengan menggunakan Ctrl + D untuk perangkat laptop dengan sistem operasi Windows atau Command + D untuk laptop dengan sistem operasi Apple. Jika Anda menggunakan smartphone, Anda juga dapat menggunakan menu laci dari browser yang Anda gunakan. Baik itu sistem operasi Windows, Mac, iOS, atau Android, Anda tetap dapat menandai situs web ini.