Key Switch Wiring Diagram Yamaha Big Bear - Jika kamu mencari artikel Key Switch Wiring Diagram Yamaha Big Bear terlengkap, berarti kamu sudah berada di website yang tepat. Setiap artikel dibahas secara tuntas dengan penyajian bahasa yang mudah dimengerti bagi orang awam sekalipun. itulah sebabnya web site ini banyak diminati para blogger dan pembaca online. Yuk langsung aja kita simak penjelasan Key Switch Wiring Diagram Yamaha Big Bear berikut ini.
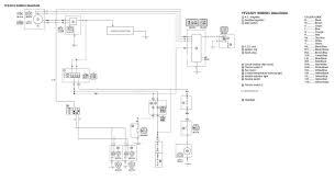
Key Switch Wiring Diagram Yamaha Big Bear. Red 12 volt Positive Yellow key on power Brown starter circuit Black Ground Blue choke Whiteignition stop circuit Thanks. Some models may need supplemental manuals which have blue titles. There is an industry-standard set of wire codes in general use by most manufacturers except Yamaha. It shows the elements of the circuit as simplified shapes as well as the power and also signal connections between the devices. Access one thousand two hundred fifty-six spare parts listed in these schematics.

Allis Chalmers Engine Diagram Big Bear YFM350FW 87-95. Here is a picture gallery about yamaha big bear parts diagram complete with the description of the image please find the image you need. The YFM350FWW 1989 BIG BEAR parts manuals are put online for your convenience and may be accessed any time free of charge. Forty-nine Other schematic views for Yamaha YFM350FWW 1989 BIG BEAR. YFM250B Big Bear 250 07-09. The yellow wire coming from the ignition switch going to the back of the bike goes were on a 350 bigbear.
The yellow wire coming from the ignition switch going to the back of the bike goes were on a 350 bigbear.
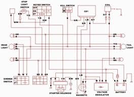
Playstation 2 Controller Wiring Diagram Of It shows the components of the circuit as simplified shapes and the knack and signal connections between the devices. Ignition wiring system 1990 yamaha 350 big bear atv electrical components. Diagram 99 Yamaha Big Bear Wiring Diagram Full Version Hd Quality Ignition wiring diagram for 99 big bear 350 new free 01 yamaha bear tracker 250 wiring diagrams trusted wiring uploaded by admin on thursday january 11th 2018 in category wiring diagram. The yellow wire coming from the ignition switch going to the back of the bike goes were on a 350 bigbear. Right here are several of the top drawings we receive from numerous resources we really hope these pictures will be useful to you and hopefully very appropriate to just what you want concerning the Yamaha 250 Bear Tracker Wiring Diagram is. Forty-nine Other schematic views for Yamaha YFM350FWW 1989 BIG BEAR.
It shows the elements of the circuit as simplified shapes and the power as well as signal links between the tools.
Get Out Of Your Own Way A Skeptics Guide To Growth And Fulfillment 2002 yfm400fwa 2002 yfm400fwp. 2010_catalog_final_proofpdf - Read File Online - Report Abuse. It reveals the elements of the circuit as simplified shapes as well as the power and also signal links in between the tools. Yfm400fw offroad vehicle pdf manual download. Big Bear YFM350FW 87-95.
A wiring diagram is a streamlined traditional pictorial depiction of an electrical circuit.
Diagram Ofputer Ram Big Bear YFM350FW 87-95. Here is a picture gallery about yamaha big bear parts diagram complete with the description of the image please find the image you need. Variety of yamaha key switch wiring diagram. Diagram 99 Yamaha Big Bear Wiring Diagram Full Version Hd Quality Ignition wiring diagram for 99 big bear 350 new free 01 yamaha bear tracker 250 wiring diagrams trusted wiring uploaded by admin on thursday january 11th 2018 in category wiring diagram. Right here are several of the top drawings we receive from numerous resources we really hope these pictures will be useful to you and hopefully very appropriate to just what you want concerning the Yamaha 250 Bear Tracker Wiring Diagram is. A wiring diagram is a simplified standard photographic depiction of an electric circuit.
Some models may need supplemental manuals which have blue titles.
1969 Super Bee Wiring Diagram Here is a listing of common color codes for Yamaha outboard motors. 2000 Yamaha Big Bear 400 Wiring Diagram wiring diagram is a simplified okay pictorial representation of an electrical circuit. Yamaha Key switch wiring Does anybody know what aftermarket band key switch that would work for my 1997 90HP Yamaha. It shows the components of the circuit as simplified shapes and the knack and signal connections between the devices. YFB250U Timberwolf 2WD Rear 92-98 YFB250FW Timberwolf 4X4 94-00.
See and discover other items.
Ford Excursion Stereo Wiring Diagram YFB250U Timberwolf 2WD Rear 92-98 YFB250FW Timberwolf 4X4 94-00. Yamaha Bear Tracker 250 Wiring Diagram 05 Ford F350 Fuse Diagram size. A wiring diagram is a streamlined traditional pictorial depiction of an electrical circuit. Right here are several of the top drawings we receive from numerous resources we really hope these pictures will be useful to you and hopefully very appropriate to just what you want concerning the Yamaha 250 Bear Tracker Wiring Diagram is. Yamaha Key switch wiring Does anybody know what aftermarket band key switch that would work for my 1997 90HP Yamaha. U2022 Wiring harness u2022 Thumb-operated rocker switch Filename.
YFB250U Timberwolf 2WD Rear 92-98 YFB250FW Timberwolf 4X4 94-00.
Yamaha 250 Wiring Diagrams It shows the elements of the circuit as simplified shapes as well as the power and also signal connections between the devices. Yamaha Wiring Diagrams Yamaha Wiring Diagrams Yamaha G1E Electric Wiring Diagram Yamaha G1A Gas Wiring Diagram Yamaha G2E Electric Wiring Diagram Yamaha G2A Gas Wiring Diagram Yamaha G3A Gas Wiring Diagram Yamaha G5A Gas Wiring Diagram Yamaha G8E Electric Wiring Diagra Yamaha G14E Electric Wiring Diagram Yamaha G14A Gas Wiring Diagram Yamaha. A wiring diagram is a simplified conventional photographic depiction of an electric circuit. YFB250U Timberwolf 2WD Rear 92-98 YFB250FW Timberwolf 4X4 94-00. Ignition wiring system 1990 yamaha 350 big bear atv electrical components.
Assortment of yamaha outboard wiring diagram.
Peugeot E7 Wiring Diagram The yellow wire coming from the ignition switch going to the back of the bike goes were on a 350 bigbear. Click on Diagram Thumbnail to see expanded view. Yamaha Bear Tracker 250 Wiring Diagram 05 Ford F350 Fuse Diagram size. Assortment of yamaha outboard wiring diagram. If you are happy with some pictures we provide please. 2000 yamaha yfm400 fwn big bear 4wd yfm400fwnm yfm400fwnmc yamaha model code yfm400fwn wiring diagrams and electrical component list.
It shows the elements of the circuit as simplified shapes as well as the power and also signal connections between the devices.
2008 Jetta Wiring Diagram Red 12 volt Positive Yellow key on power Brown starter circuit Black Ground Blue choke Whiteignition stop circuit Thanks. YFB250U Timberwolf 2WD Rear 92-98 YFB250FW Timberwolf 4X4 94-00. Red 12 volt Positive Yellow key on power Brown starter circuit Black Ground Blue choke Whiteignition stop circuit Thanks. Colors listed here may vary with year model but in general should be a good guide when tracing Yamaha wiring troubles. The YFM350FWW 1989 BIG BEAR parts manuals are put online for your convenience and may be accessed any time free of charge.
There is an industry-standard set of wire codes in general use by most manufacturers except Yamaha.
Ethernet Wiring Diagram Some models may need supplemental manuals which have blue titles. 2000 yamaha yfm400 fwn big bear 4wd yfm400fwnm yfm400fwnmc yamaha model code yfm400fwn wiring diagrams and electrical component list. Use the base manual for everything not contained in the supplement if your model or year requires a supplement. It shows the elements of the circuit as simplified shapes and the power as well as signal links between the tools. The YFM350FWW 1989 BIG BEAR parts manuals are put online for your convenience and may be accessed any time free of charge. Click on Diagram Thumbnail to see expanded view.
U2022 Wiring harness u2022 Thumb-operated rocker switch Filename.
2006 Chevy Silverado Enginepartment Wiring Diagram A wiring diagram is a simplified conventional photographic depiction of an electric circuit. Yamaha Key switch wiring Does anybody know what aftermarket band key switch that would work for my 1997 90HP Yamaha. The yellow wire coming from the ignition switch going to the back of the bike goes were on a 350 bigbear. There is an industry-standard set of wire codes in general use by most manufacturers except Yamaha. 2002 yfm400fwa 2002 yfm400fwp.
Use the base manual for everything not contained in the supplement if your model or year requires a supplement.
Wiring Diagram Klx 150 Get your self one of theseit will have a wiring diagramand a lot more information that will be helpful. 2010_catalog_final_proofpdf - Read File Online - Report Abuse. Here is a listing of common color codes for Yamaha outboard motors. Many good image inspirations on our internet are the very best image selection for Wiringdiagram Yamaha Big Bear 350. Right here are several of the top drawings we receive from numerous resources we really hope these pictures will be useful to you and hopefully very appropriate to just what you want concerning the Yamaha 250 Bear Tracker Wiring Diagram is. Forty-nine Other schematic views for Yamaha YFM350FWW 1989 BIG BEAR.
Yfm400fw offroad vehicle pdf manual download.
Wiring Diagram For Polaris Sportsman 90 Assortment of yamaha outboard wiring diagram. Big Bear YFM350FW 87-95. Variety of yamaha key switch wiring diagram. The old key switch have 6 color wire. The YFM350FWW 1989 BIG BEAR parts manuals are put online for your convenience and may be accessed any time free of charge.
2010_catalog_final_proofpdf - Read File Online - Report Abuse.
1988 Jeep Ignition Switch Wiring Diagram There is an industry-standard set of wire codes in general use by most manufacturers except Yamaha. Here is a picture gallery about yamaha big bear parts diagram complete with the description of the image please find the image you need. 800 x 600 px source. 2000 yamaha yfm400 fwn big bear 4wd yfm400fwnm yfm400fwnmc yamaha model code yfm400fwn wiring diagrams and electrical component list. It shows the elements of the circuit as simplified shapes and the power as well as signal links between the tools. YFM350U Big Bear 2WD Rear 96-99 YFM350FW Big Bear 4X4 96-97 YFM400FW Kodiak 4X4 93-98.
See and discover other items.
Volvo Fuse Panel Diagram 2007-09 Big Bear 400i 2640 2003-06 Kodiak 450 2615. U2022 Wiring harness u2022 Thumb-operated rocker switch Filename. Right here are several of the top drawings we receive from numerous resources we really hope these pictures will be useful to you and hopefully very appropriate to just what you want concerning the Yamaha 250 Bear Tracker Wiring Diagram is. It shows the components of the circuit as simplified shapes and the knack and signal connections between the devices. Access one thousand two hundred fifty-six spare parts listed in these schematics.
2000 yamaha yfm400 fwn big bear 4wd yfm400fwnm yfm400fwnmc yamaha model code yfm400fwn wiring diagrams and electrical component list.
Omc Outboard Wiring Harness Diagram Yfm400fw offroad vehicle pdf manual download. It shows the elements of the circuit as simplified shapes and the power as well as signal links between the tools. A wiring diagram is a simplified conventional photographic depiction of an electric circuit. 2010_catalog_final_proofpdf - Read File Online - Report Abuse. Colors listed here may vary with year model but in general should be a good guide when tracing Yamaha wiring troubles. Yamaha Bear Tracker 250 Wiring Diagram 05 Ford F350 Fuse Diagram size.
Big Bear YFM350FW 87-95.
Cricuit Diagram Daewoo 28js 74e Television Click on Diagram Thumbnail to see expanded view. If you are happy with some pictures we provide please. YAMAHA Year Model Plow Mt. It shows the elements of the circuit as simplified shapes and the power as well as signal links between the tools. A wiring diagram is a streamlined traditional pictorial depiction of an electrical circuit.
Situs ini adalah komunitas terbuka bagi pengguna untuk menuangkan apa yang mereka cari di internet, semua konten atau gambar di situs web ini hanya untuk penggunaan pribadi, sangat dilarang untuk menggunakan artikel ini untuk tujuan komersial, jika Anda adalah penulisnya dan menemukan gambar ini dibagikan tanpa izin Anda, silakan ajukan laporan DMCA kepada Kami.
Jika Anda menemukan situs ini bagus, tolong dukung kami dengan membagikan postingan ini ke akun media sosial seperti Facebook, Instagram dan sebagainya atau bisa juga simpan halaman blog ini dengan judul Key Switch Wiring Diagram Yamaha Big Bear dengan menggunakan Ctrl + D untuk perangkat laptop dengan sistem operasi Windows atau Command + D untuk laptop dengan sistem operasi Apple. Jika Anda menggunakan smartphone, Anda juga dapat menggunakan menu laci dari browser yang Anda gunakan. Baik itu sistem operasi Windows, Mac, iOS, atau Android, Anda tetap dapat menandai situs web ini.