Toyota Avensis 2002 2007 Repair Wiring Diagram - Jika kamu mencari artikel Toyota Avensis 2002 2007 Repair Wiring Diagram terlengkap, berarti kamu telah berada di web yang benar. Setiap artikel dibahas secara mendetail dengan penyajian bahasa yang ringan dipahami bagi orang awam sekalipun. itulah sebabnya web ini banyak diminati para blogger dan pembaca online. Yuk langsung saja kita simak pembahasan Toyota Avensis 2002 2007 Repair Wiring Diagram berikut ini.
Toyota Avensis 2002 2007 Repair Wiring Diagram. Toyota Supra JZ8 1993-2002 Wiring Diagramspdf. Describe the meaning of the SD in diagram component T. Toyota 4Runner 1990-1995 Service Repair Manual. Toyota Avalon 2006 Service Repair Manuals. Engine Repair Manual 1ZZ-FE 3ZZ-FE Download PDF.

Yamaha Golf Cart Transmission Diagram Toyota Avalon 2001 Wiring Diagrams. Toyota Avensis 1998-2002 Repair Manual The manual for maintenance and repair of the car Toyota Avensis 1998-2002 car. Updated - December 20. We have 35 Toyota Avensis manuals covering a total of 21 years of production. Detailed repair and service manuals on the repair operation and maintenance of Toyota Avensis cars with petrol engines 16 110 hp 18 129 hp 20 150 hp 24 162 hp and also diesel engines 20 116 hp 22 150177 hp. Toyota Avensis 1998 Service Manual 98mbpdf.
Toyota Supra 1986-1993 workshop manual wiring diagrams enrar.
1975 Corvette Complete Set Of Factory Electrical Wiring Diagrams Schematics Guide Chevy Chevrolet 75 Toyota Verso 2012 Repair Manual Multimedia repair manual for Toyota Verso car from 2012 year of release. Updated - December 20. Our most popular manual is the Toyota Avensis 1998-2002 Service Repair Manual PDF. For the car there were three gasoline engines 16 18 and 20 as well as a two-liter turbodiesel. Toyota Avensis Service Repair Manual Supplement RM1045E 2007 CAMRY Hybrid Vehicle ELECTRICAL WIRING DIAGRAM PDF Toyota - Tacoma - Workshop Manual - 1995 - 2004 2. 2002 Toyota RAV4 Electrical Wiring Diagrams.
TOYOTA Electrical Wiring Diagrams PDF above the page - Auris Avalon Avensis Camry Corolla Hiace Hilux Land Cruiser Prius RAV-4 Supra Yaris.
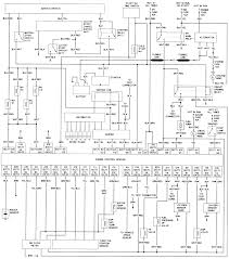
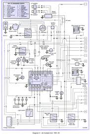
2007 Chevy 3500 Wiring Diagram Years 2000 to 2015 Toyota Avensis T25 self diagnostic How. Describe the meaning of the SD in diagram component T. Some TOYOTA AVENSIS Electric Wiring Diagrams are above the page. Toyota Workshop Owners Manuals and Free Repair Document Downloads. Please select your Toyota Vehicle below.
Toyota Camry 2007 Hybrid Service Repair Manuals.
With Internet Telephone Wiring Diagram Toyota Supra 1995-1997 Repair Manual enrar. Updated - December 20. Toyota Verossa 2001-2004 Service Manual Manual for maintenance and repair of cars Toyota Mark II 2000-2004 Toyota Mark II Blit 2002-2007 and Toyota Verossa 2001-2004 years with petrol engines in volume of 20 25 l. Years 2000 to 2015 Toyota Avensis T25 self diagnostic How. Toyota Avensis 1997-2003 Service Manual 178mbrar. Avensis had versions with sedan hatchback and station wagon bodies which in the Japanese market was a separate Caldina model.
Toyota Engine 3UZFE Mechanical.
2001 Ford Ranger Edge Fuse Panel Diagram Toyota Engine 3UZFE Mechanical. Toyota Avensis replaced Carina in 1997. A restyled version of the fifth generation of the Toyota 4RunnerThe car presentation was held in April 2013 in California USA. 1996-2003 Toyota 4Runner Workshop Service Manual. Complete repair manual service manual workshop manual for Toyota Avensis 2002 2003 2004 2005.
Toyota Engine 3UZFE Mechanical.
Mobile Telephony Diagram With Timing Toyota 4Runner 1990-1995 Service Repair Manual. Toyota Supra 1986-1993 workshop manual wiring diagrams enrar. Toyota Verso 2012 Repair Manual Multimedia repair manual for Toyota Verso car from 2012 year of release. Wiring Diagram 526 and 625 - Download PDF. Toyota Camry 2007 Hybrid Service Repair Manuals. Describe the meaning of the 2 in diagram component S.
Describe the meaning of the 2 in diagram component S.
90 Jeep Wrangler Yj Engine Illustration Diagram A restyled version of the fifth generation of the Toyota 4RunnerThe car presentation was held in April 2013 in California USA. Toyota 4Runner 1985-1989 Service Repair Manual. 1996-2003 Toyota 4Runner Workshop Service Manual. Toyota Avensis 2002 - 2007 Repair Manual. Toyota Verso 2012 Repair Manual Multimedia repair manual for Toyota Verso car from 2012 year of release.
Toyota Avalon 2001 Wiring Diagrams.
8 Ohm Speaker Wiring Diagrams Home Theatre Toyota Avensis 2003-2009 EWD 526E Wiring Diagrams Download pdf. Toyota Avalon 2001 Wiring Diagrams. Toyota Avensis 1997-2003 Service Manual The manual for maintenance and repair of the car Toyota Avensis 1997-2003 car with. TOYOTA Electrical Wiring Diagrams PDF above the page - Auris Avalon Avensis Camry Corolla Hiace Hilux Land Cruiser Prius RAV-4 Supra Yaris. Years 2000 to 2015 Toyota Avensis T25 self diagnostic How. Toyota Avensis 1997-2003 Service Manual 178mbrar.
Toyota Supra 1995-1997 Repair Manual enrar.
2001 Kia Optima Wiring Diagram In the table below you can see 0 Avensis Workshop Manuals0 Avensis Owners Manuals and 2 Miscellaneous Toyota Avensis downloads. 1996-2003 Toyota 4Runner Workshop Service Manual. Describe the meaning of the C13 in the diagram component Q. Toyota Avensis 1998-2002 Repair Manual The manual for maintenance and repair of the car Toyota Avensis 1998-2002 car. Toyota Avalon 2001 Service Repair Manuals.
Toyota Avalon 2001 Service Repair Manuals.
Mazda 626puter Wiring Diagram 1993 TOYOTA Electrical Wiring Diagrams PDF above the page - Auris Avalon Avensis Camry Corolla Hiace Hilux Land Cruiser Prius RAV-4 Supra Yaris. Toyota Avalon 2006 Wiring Diagrams. Toyota Avensis Verso 2001-2007 Service Information Library 148mbrar. Toyota Avalon 2001 Service Repair Manuals. Describe the meaning of the G-W in diagram component R. Complete repair manual service manual workshop manual for Toyota Avensis 2002 2003 2004 2005.
Toyota Avensis Service Repair Manual Supplement RM1045E 2007 CAMRY Hybrid Vehicle ELECTRICAL WIRING DIAGRAM PDF Toyota - Tacoma - Workshop Manual - 1995 - 2004 2.
Nissan An Trailer Wiring Diagram Toyota Avensis 1998-2002 Repair Manual The manual for maintenance and repair of the car Toyota Avensis 1998-2002 car. Toyota 4Runner 1990-1995 Service Repair Manual. Toyota Supra 1995-1997 Repair Manual enrar. Toyota Avensis Service Repair Manual Supplement RM1045E 2007 CAMRY Hybrid Vehicle ELECTRICAL WIRING DIAGRAM PDF Toyota - Tacoma - Workshop Manual - 1995 - 2004 2. Toyota Avensis 1998-2002 Repair Manual The manual for maintenance and repair of the car Toyota Avensis 1998-2002 car.
Toyota 4Runner 1990-1995 Service Repair Manual.
Subaru Wrx Wiring Diagram 2002 Toyota RAV4 Electrical Wiring Diagrams. Toyota Avensis 1998-2002 Repair Manual The manual for maintenance and repair of the car Toyota Avensis 1998-2002 car. Some TOYOTA AVENSIS Electric Wiring Diagrams are above the page. It provides information on the electrical circuits installed on vehicles by dividing them into a circuit for each system. Toyota Avalon service manual Free Download. 1996-2003 Toyota 4Runner Workshop Service Manual.
Toyota Avanza Wiring Diagram Download Download Now Best Toyota Avensis Verso Service Repair Manual 2001-2007 Download Download Now Best Toyota Avensis Service Repair Manual 1998-2002 Download Download Now Best Toyota Avensis Service Repair Manual 2003-2004 Software Download ISO Format Download Now.
1984 D150 Wiring Diagram Some TOYOTA AVENSIS Electric Wiring Diagrams are above the page. Toyota Avensis Service Repair Manual Supplement RM1045E 2007 CAMRY Hybrid Vehicle ELECTRICAL WIRING DIAGRAM PDF Toyota - Tacoma - Workshop Manual - 1995 - 2004 2. Describe the meaning of the G-W in diagram component R. Toyota Avalon 2006 Wiring Diagrams. Toyota Avensis 1998-2002 Repair Manual The manual for maintenance and repair of the car Toyota Avensis 1998-2002 car.
A restyled version of the fifth generation of the Toyota 4RunnerThe car presentation was held in April 2013 in California USA.
Wiring Diagrams Seymour Duncan Describe and identify the diagram component U. It provides information on the electrical circuits installed on vehicles by dividing them into a circuit for each system. Toyota Avensis 2003-2009 EWD 526E Wiring Diagrams Download pdf. Toyota Avalon service manual Free Download. Toyota Verossa 2001-2004 Service Manual Manual for maintenance and repair of cars Toyota Mark II 2000-2004 Toyota Mark II Blit 2002-2007 and Toyota Verossa 2001-2004 years with petrol engines in volume of 20 25 l. Toyota Engine 3UZFE Mechanical.
Updated - December 20.
Alpine Receiver Wiring Diagram Toyota Avensis Verso 2001-2007 Service Information Library 148mbrar. Toyota Camry 2007 Hybrid Service Repair Manuals. 2002 Toyota RAV4 Electrical Wiring Diagrams. Toyota Engine 3UZFE Mechanical. Toyota Avalon 2006 Collision Repair Manual.
Toyota Avensis replaced Carina in 1997.
5th Wheel Wiring Diagram 7 Pin In the table below you can see 0 Avensis Workshop Manuals0 Avensis Owners Manuals and 2 Miscellaneous Toyota Avensis downloads. We have 35 Toyota Avensis manuals covering a total of 21 years of production. Toyota Supra JZ8 1993-2002 Wiring Diagramspdf. Complete repair manual service manual workshop manual for Toyota Avensis 2002 2003 2004 2005. Toyota Avalon 2001 Wiring Diagrams. It provides information on the electrical circuits installed on vehicles by dividing them into a circuit for each system.
Some TOYOTA AVENSIS Electric Wiring Diagrams are above the page.
97 F23a Engine Wiring Diagram By Model Detailed repair and service manuals on the repair operation and maintenance of Toyota Avensis cars with petrol engines 16 110 hp 18 129 hp 20 150 hp 24 162 hp and also diesel engines 20 116 hp 22 150177 hp. Toyota Alphard is a 5-door class L minivan. Detailed repair and service manuals on the repair operation and maintenance of Toyota Avensis cars with petrol engines 16 110 hp 18 129 hp 20 150 hp 24 162 hp and also diesel engines 20 116 hp 22 150177 hp. 1996-2003 Toyota 4Runner Workshop Service Manual. Complete repair manual service manual workshop manual for Toyota Avensis 2002 2003 2004 2005.
Situs ini adalah komunitas terbuka bagi pengguna untuk berbagi apa yang mereka cari di internet, semua konten atau gambar di situs web ini hanya untuk penggunaan pribadi, sangat dilarang untuk menggunakan artikel ini untuk tujuan komersial, jika Anda adalah penulisnya dan menemukan gambar ini dibagikan tanpa izin Anda, silakan ajukan laporan DMCA kepada Kami.
Jika Anda menemukan situs ini bermanfaat, tolong dukung kami dengan membagikan postingan ini ke akun media sosial seperti Facebook, Instagram dan sebagainya atau bisa juga save halaman blog ini dengan judul Toyota Avensis 2002 2007 Repair Wiring Diagram dengan menggunakan Ctrl + D untuk perangkat laptop dengan sistem operasi Windows atau Command + D untuk laptop dengan sistem operasi Apple. Jika Anda menggunakan smartphone, Anda juga dapat menggunakan menu laci dari browser yang Anda gunakan. Baik itu sistem operasi Windows, Mac, iOS, atau Android, Anda tetap dapat menandai situs web ini.