Wiring Diagram Free Download Js1000 - Jika kamu sedang mencari artikel Wiring Diagram Free Download Js1000 terbaru, berarti kamu sudah berada di blog yang tepat. Setiap artikel dibahas secara mendetail dengan penyajian bahasa yang ringan dipahami bagi orang awam sekalipun. itulah sebabnya website ini banyak diminati para blogger dan pembaca online. Yuk langsung aja kita simak penjelasan Wiring Diagram Free Download Js1000 berikut ini.
Wiring Diagram Free Download Js1000. Is the least efficient diagram among the electrical wiring diagram. F - Connector Socket Number. Call or email us. View and Download Ibanez JS1000 instruction manual online. To get more knowledge about them one can search Google using.

F150 Pcm Wiring Diagram 1923 chevrolet car wiring 1923 chevrolet general wiring 1923 chevrolet superior model 1923 chevrolet wiring 1925 chevrolet superior model series k 1927 chevrolet capitol and national 1927 chevrolet capitol and national models 1928 chevrolet general wiring 1928 chevrolet wiring 1928 chevrolet. Intelligent Wiring Diagram Formatting SmartDraws diagramming tools connect the components of your wiring diagram even as you move them around. G - Fuse number. To get more knowledge about them one can search Google using. DOWNLOAD Ibanez Js100 Wiring Diagram. Some of the fuse boxes pictured in the diagrams are.
Select Save Link As or Save Target As from the pop-up menu.
Suzuki Ignis 2003 User Wiring Diagram H - Sending to another scheme. D - Channel number of the connector. Its components are shown by the pictorial to be easily identifiable. M - Chain wiring nodes. I - Number of the corresponding component. H - Sending to another scheme.
B - Component number.
Wired Internet Diagram Gallery of ibanez b wiring diagrams diagram shrutiradio in jem wiring problem throughout jem diagram Pickup Wiring Diagram Ibanez Js Diagrams At JemIbanez Gio Wiring thanks for visiting our site this is images about ibanez gio wiring posted by Brenda Botha in. Call or email us. Mazda Protégé and Cars 1990-1998 and Ford Probe 1993-1997 Wiring Diagrams Repair Guide. I - Number of the corresponding component. E - Connector color.
Free application to get and show wiring diagram of most popular Auto Makers and Car Models.
Ford Ranger Power Mirror Wiring Diagram These workshop repair manuals and service manuals describes the operation and repair of the Renault Clio cars. Some of the fuse boxes pictured in the diagrams are. C - Wire number. Mazda Protégé and Cars 1990-1998 and Ford Probe 1993-1997 Wiring Diagrams Repair Guide. Gallery of ibanez b wiring diagrams diagram shrutiradio in jem wiring problem throughout jem diagram Pickup Wiring Diagram Ibanez Js Diagrams At JemIbanez Gio Wiring thanks for visiting our site this is images about ibanez gio wiring posted by Brenda Botha in. JS1000 guitar pdf manual download.
Open the diagram on your computer with an image program.
Nidec Condenser Fan Motor Wiring Diagram Gallery of ibanez b wiring diagrams diagram shrutiradio in jem wiring problem throughout jem diagram Pickup Wiring Diagram Ibanez Js Diagrams At JemIbanez Gio Wiring thanks for visiting our site this is images about ibanez gio wiring posted by Brenda Botha in. Is the least efficient diagram among the electrical wiring diagram. K - Designation of the node system to which the contour is involved. I - Number of the corresponding component. So before you create your next presentation check out Microsoft diagram templates.
Open the diagram on your computer with an image program.
Specific Heat Diagram Electrical Plan Software helps in creating electrical diagrams and circuits easily. M - Chain wiring nodes. Call or email us. These free diagram templates utilize colors infographics and unique designs to vividly communicate your story. I - Number of the corresponding component. H - Sending to another scheme.
The manuals describes the repair of cars with gasoline and diesel engines of 12 14 16 15D l and engine power of 6575981116886106 hp.
1993 Dodge Van Wiring Diagram These workshop repair manuals and service manuals describes the operation and repair of the Renault Clio cars. Use a diagram template to lead your client through a process communicate causes and effects map out a reporting structure and more. Chevrolet Vehicles Diagrams Schematics and Service Manuals - download for free. Free Download Js1200 Wiring Diagram It is far more helpful as a reference guide if anyone wants to know about the homes electrical system. On the site CarManualsHubCom you can find read and free download the necessary PDF automotive repair manuals of any car.
Save the diagram to your hard drive remember where you put it.
2011 Ml350 Fuse Box Diagram Either it can be wiring of a building or on an electronic motherboard it is crucial to be able to visualize the entire project so as to be in a position to give some of the important aspects of the process especially the materials needed and the cost of the project. C - Wire number. D - Channel number of the connector. Download Automotive Wiring Diagram for Android to this application allows you to deal with a problem on the car electrical circuit including. To get more knowledge about them one can search Google using. Regularly update for trustful Electrical Wiring Diagrams and can be used to refer when you do repairing car or study purpose.
So before you create your next presentation check out Microsoft diagram templates.
197Camaro Wiper Wiring Diagram Electrical Plan Software helps in creating electrical diagrams and circuits easily. Electrical Plan Software helps in creating electrical diagrams and circuits easily. 1923 chevrolet car wiring 1923 chevrolet general wiring 1923 chevrolet superior model 1923 chevrolet wiring 1925 chevrolet superior model series k 1927 chevrolet capitol and national 1927 chevrolet capitol and national models 1928 chevrolet general wiring 1928 chevrolet wiring 1928 chevrolet. Msd Streetfire 5520 Wiring Diagram For Chevy With Magnetic Pickup Trigger. 1992 Honda Cb750 Dohc Wiring Diagram.
Free application to get and show wiring diagram of most popular Auto Makers and Car Models.
Harley Parts Diagram Open the diagram on your computer with an image program. Exhaustive Wiring Symbol Library You get hundreds of ready-made wiring symbols including switches relays and more. C - Wire number. In this article we will look at some of the best wiring diagrams that electrical. L - Connecting wires. DOWNLOAD Ibanez Js100 Wiring Diagram.
Regularly update for trustful Electrical Wiring Diagrams and can be used to refer when you do repairing car or study purpose.
Simple Wiring Diagram For Lights On Atv Select Save Link As or Save Target As from the pop-up menu. Is the least efficient diagram among the electrical wiring diagram. Free Download Js1200 Wiring Diagram It is far more helpful as a reference guide if anyone wants to know about the homes electrical system. I - Number of the corresponding component. Select Save Link As or Save Target As from the pop-up menu.
To get more knowledge about them one can search Google using.
2000 Ford F 350 Fuse Diagram Right click on the diagramkeyfuse box you want to download. Intelligent Wiring Diagram Formatting SmartDraws diagramming tools connect the components of your wiring diagram even as you move them around. D - Channel number of the connector. Mars Air Curtain Wiring Diagram. Open the diagram on your computer with an image program. The manuals describes the repair of cars with gasoline and diesel engines of 12 14 16 15D l and engine power of 6575981116886106 hp.
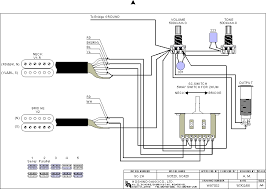
JS1000 guitar pdf manual download.
Hemi 5 7 Engine Wiring Diagram ELECTRIC GUITARS with LOCKING SYSTEM. Download Automotive Wiring Diagram for Android to this application allows you to deal with a problem on the car electrical circuit including. ELECTRIC GUITARS with LOCKING SYSTEM. Find out how to access AutoZones Wiring Diagrams Repair Guide for Toyota Pick-ups Land Cruiser and 4 Runner 1997-00. So before you create your next presentation check out Microsoft diagram templates.
Select Save Link As or Save Target As from the pop-up menu.
Wiring Diagram For John Deere 6300 Right click on the diagramkeyfuse box you want to download. Call or email us. Find out how to access AutoZones Wiring Diagrams Repair Guide for Mazda 323 MX-3 626 MX-6 Millenia Protégé 1990-1998 and Ford Probe 1993-1997. Exhaustive Wiring Symbol Library You get hundreds of ready-made wiring symbols including switches relays and more. H - Sending to another scheme. Either it can be wiring of a building or on an electronic motherboard it is crucial to be able to visualize the entire project so as to be in a position to give some of the important aspects of the process especially the materials needed and the cost of the project.
View and Download Ibanez JS1000 instruction manual online.
Bmw F650gs User Wiring Diagram E - Connector color. Exhaustive Wiring Symbol Library You get hundreds of ready-made wiring symbols including switches relays and more. C - Wire number. These free diagram templates utilize colors infographics and unique designs to vividly communicate your story. Call or email us.
In this article we will look at some of the best wiring diagrams that electrical.
Electric Golf Cart Motor Wiring Diagram They come with built-in templates which enable in the quick drawing of the electrical plan. Msd Streetfire 5520 Wiring Diagram For Chevy With Magnetic Pickup Trigger. Right click on the diagramkeyfuse box you want to download. Electrical Wiring can be a challenging task. In this article we will look at some of the best wiring diagrams that electrical. ELECTRIC GUITARS with LOCKING SYSTEM.
Regularly update for trustful Electrical Wiring Diagrams and can be used to refer when you do repairing car or study purpose.
Ford F 250 Super Duty Wiring Diagrams DOWNLOAD Ibanez Js100 Wiring Diagram. I - Number of the corresponding component. E - Connector color. The manuals describes the repair of cars with gasoline and diesel engines of 12 14 16 15D l and engine power of 6575981116886106 hp. Intelligent Wiring Diagram Formatting SmartDraws diagramming tools connect the components of your wiring diagram even as you move them around.
Situs ini adalah komunitas terbuka bagi pengguna untuk menuangkan apa yang mereka cari di internet, semua konten atau gambar di situs web ini hanya untuk penggunaan pribadi, sangat dilarang untuk menggunakan artikel ini untuk tujuan komersial, jika Anda adalah penulisnya dan menemukan gambar ini dibagikan tanpa izin Anda, silakan ajukan laporan DMCA kepada Kami.
Jika Anda menemukan situs ini bagus, tolong dukung kami dengan membagikan postingan ini ke akun media sosial seperti Facebook, Instagram dan sebagainya atau bisa juga save halaman blog ini dengan judul Wiring Diagram Free Download Js1000 dengan menggunakan Ctrl + D untuk perangkat laptop dengan sistem operasi Windows atau Command + D untuk laptop dengan sistem operasi Apple. Jika Anda menggunakan smartphone, Anda juga dapat menggunakan menu laci dari browser yang Anda gunakan. Baik itu sistem operasi Windows, Mac, iOS, atau Android, Anda tetap dapat menandai situs web ini.